Nissan Rogue (T33) 2021-Present Service Manual: System
System Description
-
The system switches fluid pressure of each brake to increase, to hold or to decrease according to signals from control unit in ABS actuator and electric unit (control unit). This control system is applied to VDC function, TCS function, ABS function, EBD function, brake limited slip differential (BLSD) function, brake assist function, brake force distribution function, and hill start assist function.
-
Fail-safe function is available for each function and is activated by each function when system malfunction occurs.
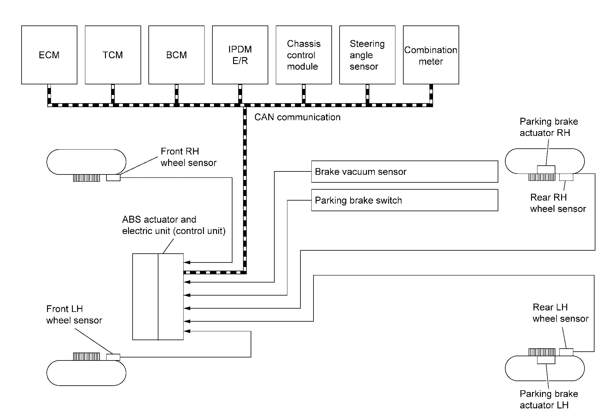
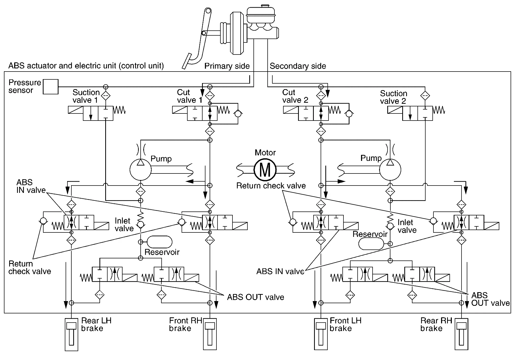
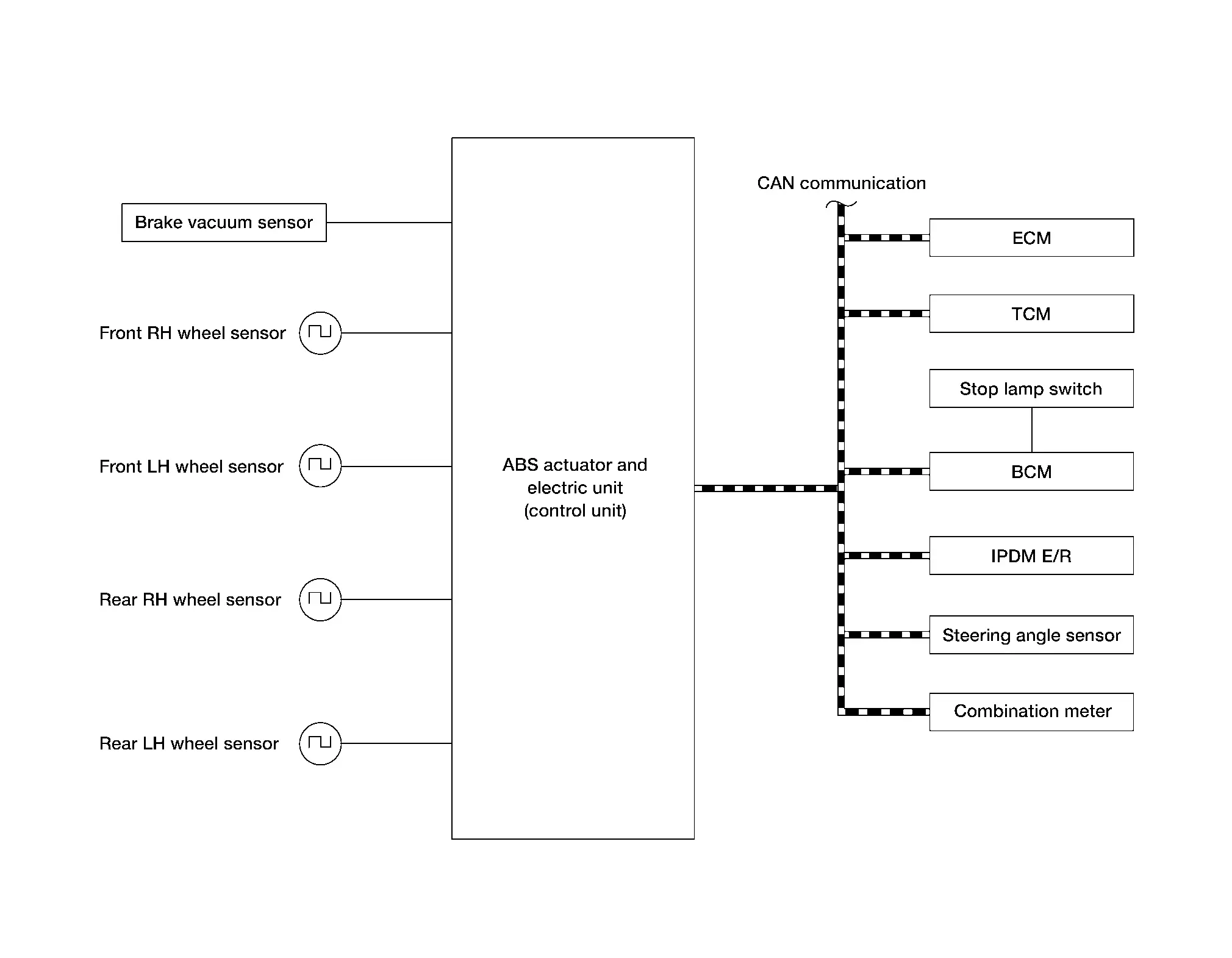
SYSTEM DIAGRAM

INPUT SIGNAL AND OUTPUT SIGNAL
Major signal transmission between each unit via communication lines is shown in the following table.
| Component parts | Signal description |
|---|---|
| ABS actuator and electric unit (control unit) | ABS Actuator and Electric Unit (Control Unit) |
| Front LH wheel sensor | Wheel Sensor and Sensor Rotor |
| Front RH wheel sensor | Wheel Sensor and Sensor Rotor |
| Rear LH wheel sensor | Wheel Sensor and Sensor Rotor |
| Rear RH wheel sensor | Wheel Sensor and Sensor Rotor |
| Brake vacuum sensor | Brake Vacuum Sensor |
| Parking brake switch | Parking Brake Switch |
| Parking brake actuator (LH) | Parking Brake Actuator |
| Parking brake actuator (RH) | Parking Brake Actuator |
| ECM |
Mainly transmits the following signals to ABS actuator and electric unit (control unit) via CAN communication.
|
| TCM |
Mainly transmits the following signals to ABS actuator and electric unit (control unit) via CAN communication.
|
| BCM |
Mainly transmits the following signals to ABS actuator and electric unit (control unit) via CAN communication.
Mainly receives the following signals from ABS actuator and electric unit (control unit) via CAN communication.
|
| IPDM E/R |
Mainly transmits the following signals to ABS actuator and electric unit (control unit) via CAN communication.
|
| Chassis control module |
Mainly transmits the following signals to ABS actuator and electric unit (control unit) via CAN communication.
|
| Steering angle sensor |
Mainly transmits the following signals to ABS actuator and electric unit (control unit) via CAN communication.
|
| Combination meter |
Mainly transmits the following signals to ABS actuator and electric unit (control unit) via CAN communication.
Mainly receives the following signals from ABS actuator and electric unit (control unit) via CAN communication.
|
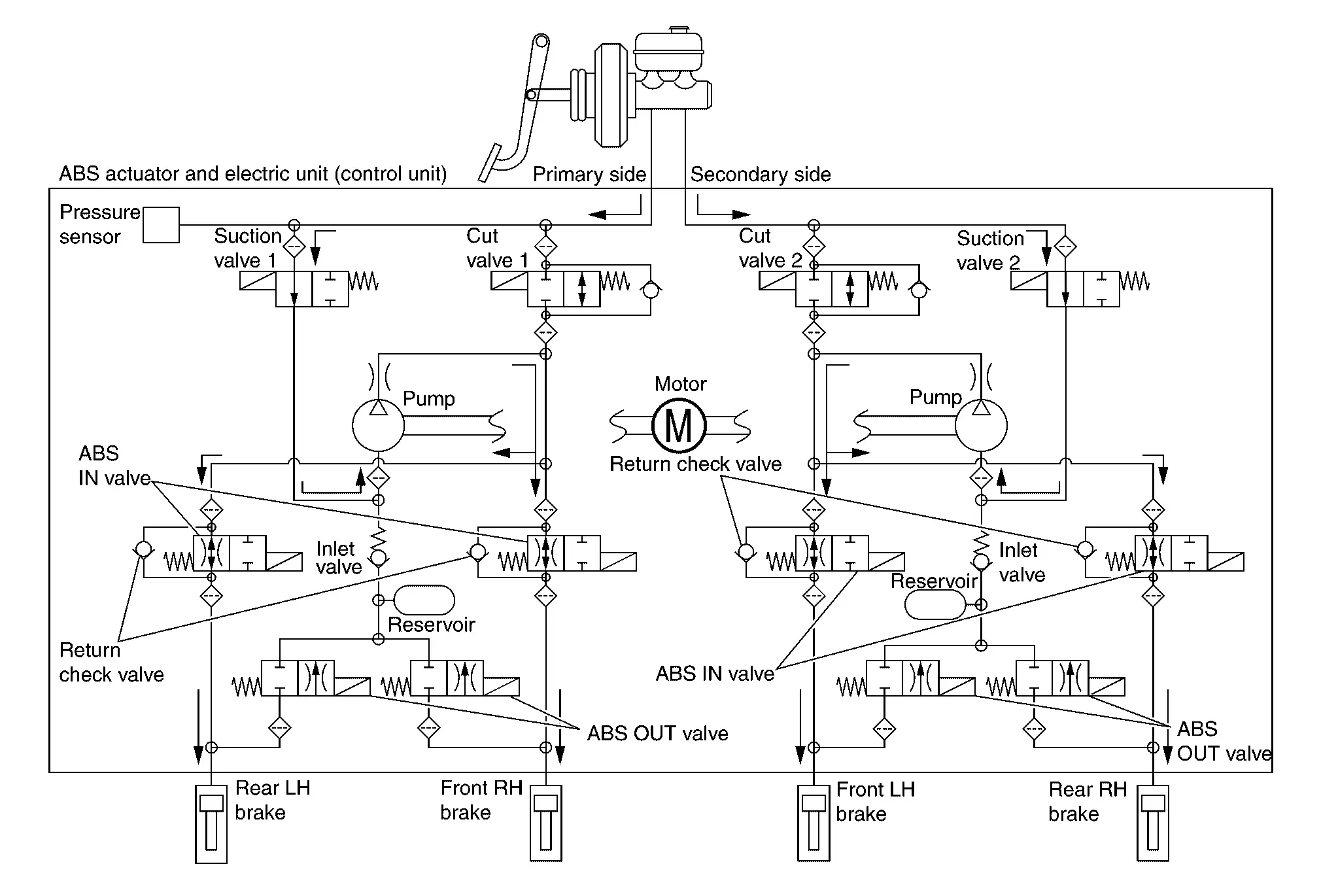
VALVE OPERATION [VDC FUNCTION, TCS FUNCTION, BRAKE LIMITED SLIP DIFFERENTIAL (BLSD) FUNCTION, BRAKE ASSIST FUNCTION, BRAKE FORCE DISTRIBUTION FUNCTION, hill start assist FUNCTION
Each valve is operated and fluid pressure of brake is controlled.
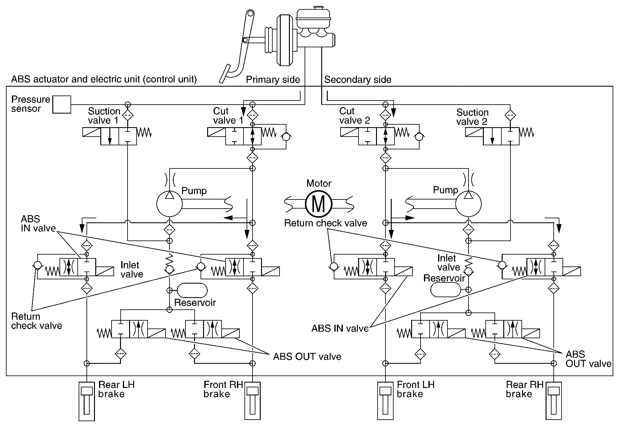
VDC Function, TCS Function, Brake Limited Slip Differential (BLSD) Function, Brake Assist Function, Brake force distribution Function, and hill start assist Function are in Operation (During Pressure Increases)

| Component parts | Not activated | When pressure increases |
|---|---|---|
| Cut valve 1 | Power supply is not supplied (open) | Power supply is supplied (close) |
| Cut valve 2 | Power supply is not supplied (open) | Power supply is supplied (close) |
| Suction valve 1 | Power supply is not supplied (close) | Power supply is supplied (open) |
| Suction valve 2 | Power supply is not supplied (close) | Power supply is supplied (open) |
| ABS IN valve | Power supply is not supplied (open) | Power supply is not supplied (open) |
| ABS OUT valve | Power supply is not supplied (close) | Power supply is not supplied (close) |
| Each brake (fluid pressure) | — | Pressure increases |
During pressure front RH brake increases
-
Brake fluid is conveyed to the pump from the master cylinder through suction valve 1 and is pressurized by the pump operation. The pressurized brake fluid is supplied to the front RH brake through the ABS IN valve. For the left brake, brake fluid pressure is maintained because the pressurization is unnecessary. The pressurization for the left brake is controlled separately from the right brake.
During pressure front LH brake increases
-
Brake fluid is conveyed to the pump from the master cylinder through suction valve 2 and is pressurized by the pump operation. The pressurized brake fluid is supplied to the front LH brake through the ABS IN valve. For the right brake, brake fluid pressure is maintained because the pressurization is unnecessary. The pressurization for the right brake is controlled separately from the left brake.
During pressure rear RH brake increases
-
Brake fluid is conveyed to the pump from the master cylinder through suction valve 2 and is pressurized by the pump operation. The pressurized brake fluid is supplied to the rear RH brake through the ABS IN valve. For the left brake, brake fluid pressure is maintained because the pressurization is unnecessary. The pressurization for the left brake is controlled separately from the right brake.
During pressure rear LH brake increases
-
Brake fluid is conveyed to the pump from the master cylinder through suction valve 1 and is pressurized by the pump operation. The pressurized brake fluid is supplied to the rear LH brake through the ABS IN valve. For the right brake, brake fluid pressure is maintained because the pressurization is unnecessary. The pressurization for the right brake is controlled separately from the left brake.
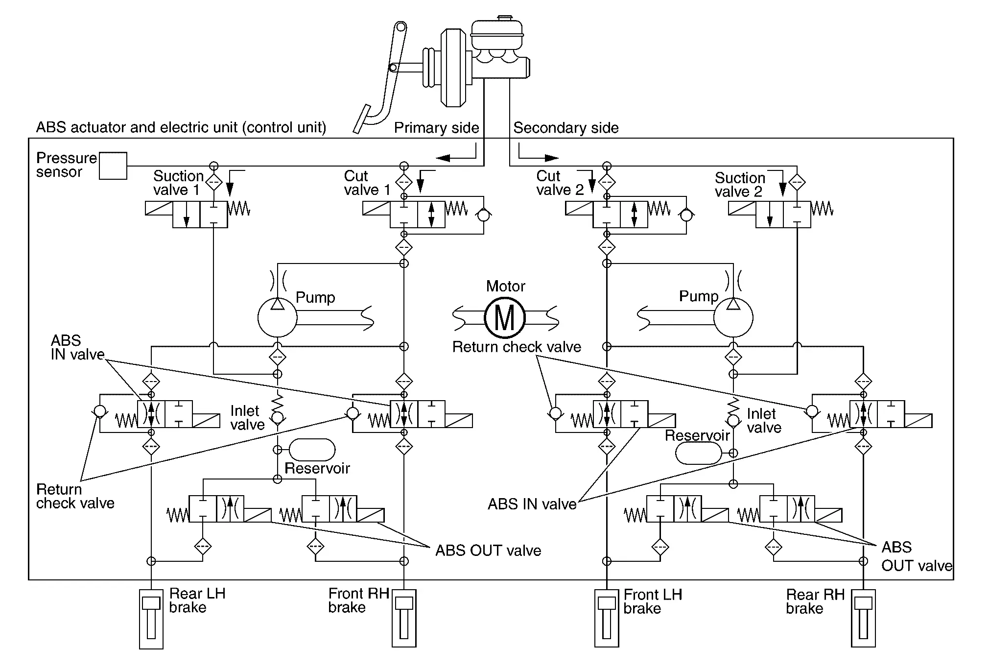
VDC Function, TCS Function, Brake Limited Slip Differential (BLSD) Function, Brake Assist Function, Brake force distribution Function, and hill start assist Function are in Operation (During Pressure Holds)

| Component parts | Not activated | When pressure holds |
|---|---|---|
| Cut valve 1 | Power supply is not supplied (open) | Power supply is supplied (close) |
| Cut valve 2 | Power supply is not supplied (open) | Power supply is supplied (close) |
| Suction valve 1 | Power supply is not supplied (close) | Power supply is not supplied (close) |
| Suction valve 2 | Power supply is not supplied (close) | Power supply is not supplied (close) |
| ABS IN valve | Power supply is not supplied (open) | Power supply is not supplied (open) |
| ABS OUT valve | Power supply is not supplied (close) | Power supply is not supplied (close) |
| Each brake (fluid pressure) | — | Pressure holds |
During pressure front RH brake holds
-
Since the cut valve 1 and the suction valve 1 are closed, the front RH brake, master cylinder, and reservoir are blocked. This maintains fluid pressure applied on the front RH brake. The pressurization for the left brake is controlled separately from the right brake.
During pressure front LH brake holds
-
Since the cut valve 2 and the suction valve 2 are closed, the front LH brake, master cylinder, and reservoir are blocked. This maintains fluid pressure applied on the front LH brake. The pressurization for the right brake is controlled separately from the left brake.
During pressure rear RH brake holds
-
Since the cut valve 2 and the suction valve 2 are closed, the rear RH brake, master cylinder, and reservoir are blocked. This maintains fluid pressure applied on the rear RH brake. The pressurization for the left brake is controlled separately from the right brake.
During pressure rear LH brake holds
-
Since the cut valve 1 and the suction valve 1 are closed, the rear LH brake, master cylinder, and reservoir are blocked. This maintains fluid pressure applied on the rear LH brake. The pressurization for the right brake is controlled separately from the left brake.
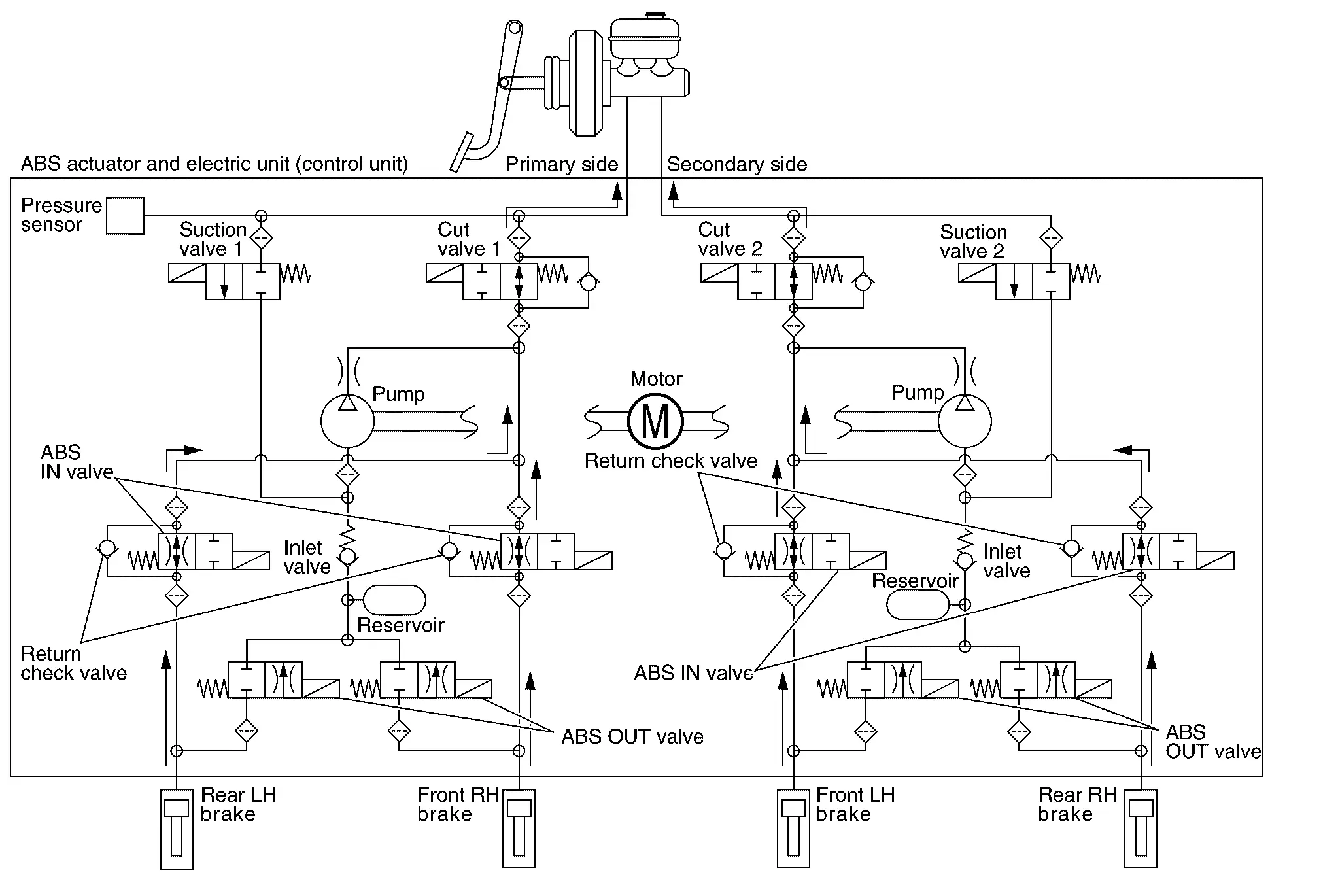
VDC Function, TCS Function, Brake Limited Slip Differential (BLSD) Function, Brake Assist Function, Brake force distribution Function, and hill start assist Function are in Operation (During Pressure Decrease)

| Component parts | Not activated | When pressure decrease |
|---|---|---|
| Cut valve 1 | Power supply is not supplied (open) | Power supply is not supplied (open) |
| Cut valve 2 | Power supply is not supplied (open) | Power supply is not supplied (open) |
| Suction valve 1 | Power supply is not supplied (close) | Power supply is not supplied (close) |
| Suction valve 2 | Power supply is not supplied (close) | Power supply is not supplied (close) |
| ABS IN valve | Power supply is not supplied (open) | Power supply is not supplied (open) |
| ABS OUT valve | Power supply is not supplied (close) | Power supply is not supplied (close) |
| Each brake (fluid pressure) | — | Pressure decreases |
During pressure front RH brake decreased
-
Since the suction valve 1 and the ABS OUT valve close and the cut valve 1 and the ABS IN valve open, the fluid pressure applied on the front RH brake is reduced by supplying the fluid pressure to the master cylinder via the ABS IN valve and the cut valve 1. The pressurization for the right brake is controlled separately from the left brake.
During pressure front LH brake decreased
-
Since the suction valve 2 and the ABS OUT valve close and the cut valve 2 and the ABS IN valve open, the fluid pressure applied on the front LH brake is reduced by supplying the fluid pressure to the master cylinder via the ABS IN valve and the cut valve 2. The pressurization for the left brake is controlled separately from the right brake.
During pressure rear RH brake decreased
-
Since the suction valve 2 and the ABS OUT valve close and the cut valve 2 and the ABS IN valve open, the fluid pressure applied on the rear RH brake is reduced by supplying the fluid pressure to the master cylinder via the ABS IN valve and the cut valve 2. The pressurization for the right brake is controlled separately from the left brake.
During pressure rear LH brake decreased
-
Since the suction valve 1 and the ABS OUT valve close and the cut valve 1 and the ABS IN valve open, the fluid pressure applied on the rear LH brake is reduced by supplying the fluid pressure to the master cylinder via the ABS IN valve and the cut valve 1. The pressurization for the left brake is controlled separately from the right brake.
Component Parts and Function
| Component parts | Function |
|---|---|
| Pump |
|
| Motor | Activates the pump according to signals from ABS actuator and electric unit (control unit). |
|
Cut valve 1 Cut valve 2 |
Shuts off the ordinary brake line from master cylinder. |
|
Suction valve 1 Suction valve 2 |
Supplies the brake fluid from master cylinder to the pump. |
| ABS IN valve | Switches the fluid pressure line to increase or hold according. |
| ABS OUT valve | Switches the fluid pressure line to increase, hold or decrease according. |
| return check valve | Returns the brake fluid from each brake to master cylinder by bypassing orifice of each valve when brake is released. |
| Reservoir | Temporarily reserves the brake fluid drained from each brake, so that pressure efficiently decreases when decreasing pressure of each brake. |
| Pressure sensor | Detects the brake fluid pressure and transmits signal to ABS actuator and electric unit (control unit). |
VALVE OPERATION (ABS FUNCTION)
Each valve is operated and fluid pressure of brake is controlled.
When Brake Pedal is Applied

| Component parts | Not activated | When pressure increases |
|---|---|---|
| Cut valve 1 | Power supply is not supplied (open) | Power supply is not supplied (open) |
| Cut valve 2 | Power supply is not supplied (open) | Power supply is not supplied (open) |
| Suction valve 1 | Power supply is not supplied (close) | Power supply is not supplied (close) |
| Suction valve 2 | Power supply is not supplied (close) | Power supply is not supplied (close) |
| ABS IN valve | Power supply is not supplied (open) | Power supply is not supplied (open) |
| ABS OUT valve | Power supply is not supplied (close) | Power supply is not supplied (close) |
| Each brake (fluid pressure) | — | Pressure increases |
During pressure front RH brake increases
-
When the cut valve 1 and the ABS IN valve opens, brake fluid is supplied to the front RH brake from the master cylinder through the ABS IN valve. Brake fluid does not flow into the reservoir because the ABS OUT valve is closed.
During pressure front LH brake increases
-
When the cut valve 2 and the ABS IN valve opens, brake fluid is supplied to the front LH brake from the master cylinder through the ABS IN valve. Brake fluid does not flow into the reservoir because the ABS OUT valve is closed.
During pressure rear RH brake increases
-
When the cut valve 2 and the ABS IN valve opens, brake fluid is supplied to the rear RH brake from the master cylinder through the ABS IN valve. Brake fluid does not flow into the reservoir because the ABS OUT valve is closed.
During pressure rear LH brake increases
-
When the cut valve 1 and the ABS IN valve opens, brake fluid is supplied to the rear LH brake from the master cylinder through the ABS IN valve. Brake fluid does not flow into the reservoir because the ABS OUT valve is closed.
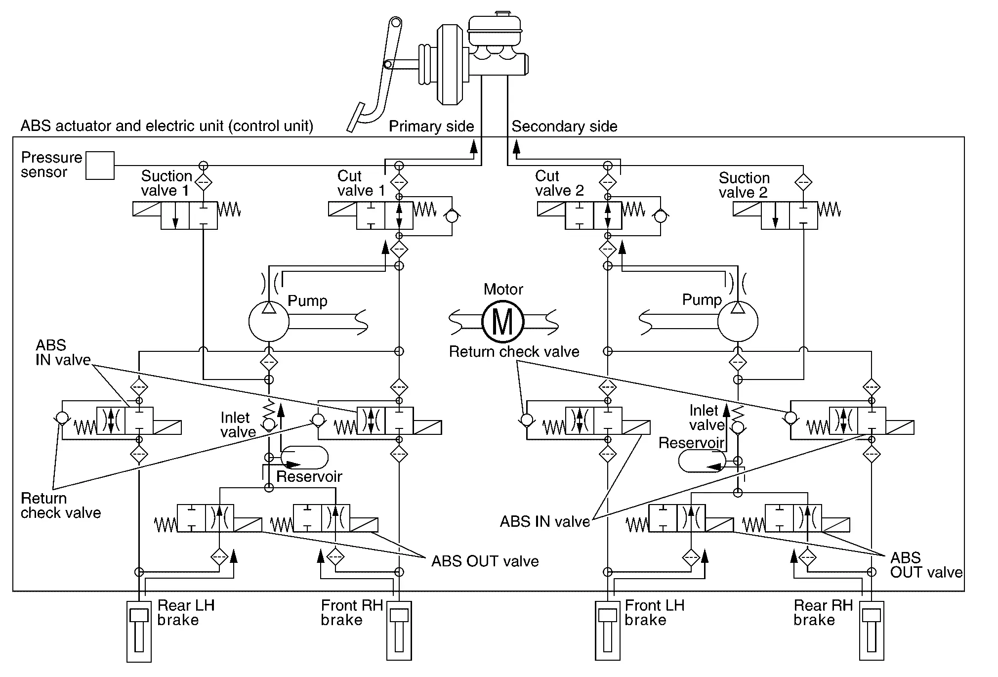
When ABS Function is in Operation (During Pressure Increases)

| Component parts | Not activated | When pressure increases |
|---|---|---|
| Cut valve 1 | Power supply is not supplied (open) | Power supply is not supplied (open) |
| Cut valve 2 | Power supply is not supplied (open) | Power supply is not supplied (open) |
| Suction valve 1 | Power supply is not supplied (close) | Power supply is not supplied (close) |
| Suction valve 2 | Power supply is not supplied (close) | Power supply is not supplied (close) |
| ABS IN valve | Power supply is not supplied (open) | Power supply is not supplied (open) |
| ABS OUT valve | Power supply is not supplied (close) | Power supply is not supplied (close) |
| Each brake (fluid pressure) | — | Pressure increases |
During pressure front RH brake increases
-
Brake fluid is supplied to the front RH brake from the master cylinder through the cut valve 1 and the ABS IN valve. Since the suction valve 1 and the ABS OUT valve is closed, the fluid does not flow into the reservoir. The amount of brake fluid supplied to the front RH brake from the master cylinder is controlled according to time that the ABS IN valve is not energized (time that the ABS IN valve is open).
During pressure front LH brake increases
-
Brake fluid is supplied to the front LH brake from the master cylinder through the cut valve 2 and the ABS IN valve. Since the suction valve 2 and the ABS OUT valve is closed, the fluid does not flow into the reservoir. The amount of brake fluid supplied to the front LH brake from the master cylinder is controlled according to time that the ABS IN valve is not energized (time that the ABS IN valve is open).
During pressure rear RH brake increases
-
Brake fluid is supplied to the rear RH brake from the master cylinder through the cut valve 2 and the ABS IN valve. Since the suction valve 2 and the ABS OUT valve is closed, the fluid does not flow into the reservoir. The amount of brake fluid supplied to the rear RH brake from the master cylinder is controlled according to time that the ABS IN valve is not energized (time that the ABS IN valve is open).
During pressure rear LH brake increases
-
Brake fluid is supplied to the rear LH brake from the master cylinder through the cut valve 1 and the ABS IN valve. Since the suction valve 1 and the ABS OUT valve is closed, the fluid does not flow into the reservoir. The amount of brake fluid supplied to the rear LH brake from the master cylinder is controlled according to time that the ABS IN valve is not energized (time that the ABS IN valve is open).
When ABS Function is Operating (During Pressure Holds)

| Component parts | Not activated | When pressure holds |
|---|---|---|
| Cut valve 1 | Power supply is not supplied (open) | Power supply is not supplied (open) |
| Cut valve 2 | Power supply is not supplied (open) | Power supply is not supplied (open) |
| Suction valve 1 | Power supply is not supplied (close) | Power supply is not supplied (close) |
| Suction valve 2 | Power supply is not supplied (close) | Power supply is not supplied (close) |
| ABS IN valve | Power supply is not supplied (open) | Power supply is supplied (close) |
| ABS OUT valve | Power supply is not supplied (close) | Power supply is not supplied (close) |
| Each brake (fluid pressure) | — | Pressure holds |
During pressure front RH brake holds
-
Since the ABS IN valve and the ABS OUT valve are closed, the front RH brake, master cylinder, and reservoir are blocked. This maintains fluid pressure applied on the front RH brake.
During pressure front LH brake holds
-
Since the ABS IN valve and the ABS OUT valve are closed, the front LH brake, master cylinder, and reservoir are blocked. This maintains fluid pressure applied on the front LH brake.
During pressure rear RH brake holds
-
Since the ABS IN valve and the ABS OUT valve are closed, the rear RH brake, master cylinder, and reservoir are blocked. This maintains fluid pressure applied on the rear RH brake.
During pressure rear LH brake holds
-
Since the ABS IN valve and the ABS OUT valve are closed, the rear LH brake, master cylinder, and reservoir are blocked. This maintains fluid pressure applied on the rear LH brake.
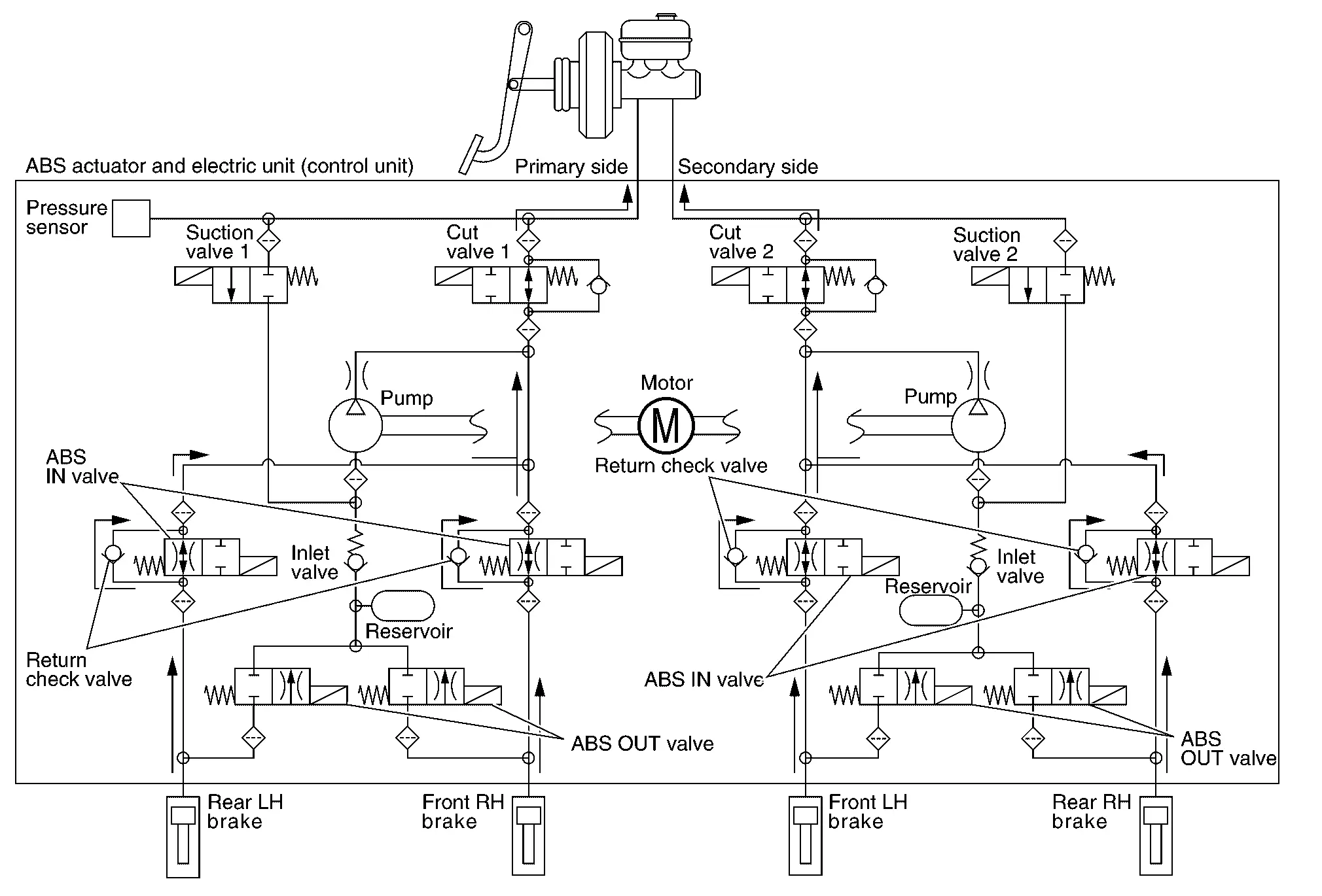
When ABS Function is in Operation (During Pressure Decreases)

| Component parts | Not activated | When pressure decreases |
|---|---|---|
| Cut valve 1 | Power supply is not supplied (open) | Power supply is not supplied (open) |
| Cut valve 2 | Power supply is not supplied (open) | Power supply is not supplied (open) |
| Suction valve 1 | Power supply is not supplied (close) | Power supply is not supplied (close) |
| Suction valve 2 | Power supply is not supplied (close) | Power supply is not supplied (close) |
| ABS IN valve | Power supply is not supplied (open) | Power supply is supplied (close) |
| ABS OUT valve | Power supply is not supplied (close) | Power supply is supplied (open) |
| Each brake (fluid pressure) | — | Pressure decreases |
During pressure front RH brake decreased
-
Since the ABS IN valve is closed and the ABS OUT valve is opened, fluid pressure applied on the front RH brake is supplied to the reservoir through the ABS OUT valve. This fluid pressure decreases when sent to the master cylinder by the pump.
During pressure front LH brake decreased
-
Since the ABS IN valve is closed and the ABS OUT valve is opened, fluid pressure applied on the front LH brake is supplied to the reservoir through the ABS OUT valve. This fluid pressure decreases when sent to the master cylinder by the pump.
During pressure rear RH brake decreased
-
Since the ABS IN valve is closed and the ABS OUT valve is opened, fluid pressure applied on the rear RH brake is supplied to the reservoir through the ABS OUT valve. This fluid pressure decreases when sent to the master cylinder by the pump.
During pressure rear LH brake decreased
-
Since the ABS IN valve is closed and the ABS OUT valve is opened, fluid pressure applied on the rear LH brake is supplied to the reservoir through the ABS OUT valve. This fluid pressure decreases when sent to the master cylinder by the pump.
When Brake Release

| Component pars | Not activated | When pressure decrease |
|---|---|---|
| Cut valve 1 | Power supply is not supplied (open) | Power supply is not supplied (open) |
| Cut valve 2 | Power supply is not supplied (open) | Power supply is not supplied (open) |
| Suction valve 1 | Power supply is not supplied (close) | Power supply is not supplied (close) |
| Suction valve 2 | Power supply is not supplied (close) | Power supply is not supplied (close) |
| ABS IN valve | Power supply is not supplied (open) | Power supply is not supplied (open) |
| ABS OUT valve | Power supply is not supplied (close) | Power supply is not supplied (close) |
| Each brake (fluid pressure) | — | Pressure decreases |
During pressure front RH brake release
-
Brake fluid is supplied to the front RH brake through the return check valve of the ABS IN valve and the cut valve 1, and returns to the master cylinder.
During pressure front LH brake release
-
Brake fluid is supplied to the front LH brake through the return check valve of the ABS IN valve and the cut valve 2, and returns to the master cylinder.
During pressure rear RH brake release
-
Brake fluid is supplied to the rear RH brake through the return check valve of the ABS IN valve and the cut valve 2, and returns to the master cylinder.
During pressure rear LH brake release
-
Brake fluid is supplied to the rear LH brake through the return check valve of the ABS IN valve and the cut valve 1, and returns to the master cylinder.
Component Parts and Function
| Component parts | Function |
|---|---|
| Pump |
|
| Motor | Activates the pump according to signals from ABS actuator and electric unit (control unit). |
|
Cut valve 1 Cut valve 2 |
Shuts off the ordinary brake line from master cylinder. |
|
Suction valve 1 Suction valve 2 |
Supplies the brake fluid from master cylinder to the pump. |
| ABS IN valve | Switches the fluid pressure line to increase or hold according. |
| ABS OUT valve | Switches the fluid pressure line to increase, hold or decrease according. |
| return check valve | Returns the brake fluid from each brake to master cylinder by bypassing orifice of each valve when brake is released. |
| Reservoir | Temporarily reserves the brake fluid drained from each brake, so that pressure efficiently decreases when decreasing pressure of each brake. |
| Pressure sensor | Detects the brake fluid pressure and transmits signal to ABS actuator and electric unit (control unit). |
CONDITION FOR TURN ON THE WARNING LAMP
Turns ON when ignition switch ON and turns OFF when the system is normal, for bulb check purposes.
NOTE:
About electric parking brake warning lamp: Refer to System Description.
| Condition (status) | ABS warning lamp | Brake warning lamp | VDC warning lamp |
|---|---|---|---|
| Ignition switch OFF (Auto ACC function OFF) | OFF | OFF | OFF |
| For approx. 1 second after the ignition switch is ON | ON | ON | ON |
| Approx. 1 second after ignition switch is ON (when the before engine starts, system is in normal operation) | OFF | ON | OFF |
| After engine starts | OFF | OFF | OFF |
| When brake fluid is less than the specified level (brake fluid level switch ON) | OFF | ON | ON |
| VDC function is malfunctioning | OFF | OFF | ON |
| TCS function is malfunctioning | OFF | OFF | ON |
| ABS function is malfunctioning | ON | OFF | ON |
| EBD function is malfunctioning | ON | ON | ON |
| Brake limited slip differential (BLSD) function is malfunctioning | OFF | OFF | ON |
| Brake assist function is malfunctioning | OFF | OFF | ON |
| Brake force distribution function is malfunctioning | OFF | OFF | ON |
| hill start assist function is malfunctioning | OFF | OFF | ON |
| Brake vacuum sensor function is malfunctioning | OFF | ON | OFF |
| VDC function is operating | OFF | OFF | Blinking |
| TCS function is operating | OFF | OFF | Blinking |
| ABS function is operating | OFF | OFF | OFF |
| EBD function is operating | OFF | OFF | OFF |
| Brake limited slip differential (BLSD) function is operating | OFF | OFF | Blinking |
| Brake assist function is operating | OFF | OFF | OFF |
| Brake force distribution function is operating | OFF | OFF | OFF |
| hill start assist function is operating | OFF | OFF | OFF |
CONDITION FOR TURN ON THE INDICATOR LAMP
Turns ON when ignition switch turns ON and OFF when the system is normal, for bulb check purposes.
NOTE:
About electric parking brake indicator lamp: Refer to System Description.
| Condition (status) | VDC OFF indicator lamp |
| Ignition switch OFF (Auto ACC function OFF) | OFF |
| For approx. 1 second after the ignition switch is ON | ON |
| Approx. 1 second after ignition switch is ON (when system is in normal operation) | OFF |
| After engine starts (when system is in normal operation) | OFF |
| VDC setting is OFF (VDC OFF indicator is turn ON) | ON |
| VDC function is malfunctioning | OFF |
| TCS function is malfunctioning | OFF |
Vdc Function
System Description
-
Side slip or tail slip may occur while driving on a slippery road or intending an urgent evasive driving. VDC function detects side slip status using each sensor when side slip or tail slip is about to occur and improves Nissan Ariya vehicle stability by brake control and engine output control during driving.
-
In addition to TCS function, ABS function and EBD function, target side slip amount is calculated according to steering operation amount from steering angle sensor and brake operation amount from pressure sensor. By comparing this information with Nissan Ariya vehicle side slip amount that is calculated from information from yaw rate/side G sensor and wheel sensor, vehicle driving conditions (conditions of understeer or oversteer) are judged and Nissan Ariya vehicle stability is improved by brake force control on all 4 wheels and engine output control.

-
VDC function can be switched to non-operational status (OFF). In this case, VDC OFF indicator lamp turns ON.
-
Control unit portion automatically improves driving stability by performing brake force control as well as engine output control, by transmitting drive signal to actuator portion according to difference between target side slip amount and Nissan Ariya vehicle side slip amount.
-
VDC warning lamp blinks while VDC function is in operation and indicates to the driver that the function is in operation.
-
CONSULT can be used to diagnose the system diagnosis.
-
Fail-safe function is adopted. When a malfunction occurs in VDC function, the control is suspended for VDC function, TCS function, brake limited slip differential (BLSD) function, brake assist function, brake force distribution function, and hill start assist function. The Nissan Ariya vehicle status becomes the same as models without VDC function, TCS function, brake limited slip differential (BLSD) function, brake assist function, brake force distribution function, and hill start assist function. However, ABS function and EBD function are operated normally. Refer to Fail-Safe.
NOTE:
VDC has the characteristic as described here, This is not the device that helps reckless driving.
SYSTEM DIAGRAM

INPUT SIGNAL AND OUTPUT SIGNAL
Major signal transmission between each unit via communication lines is shown in the following table.
| Component parts | Signal description |
|---|---|
| ECM |
Mainly transmits the following signals to ABS actuator and electric unit (control unit) via CAN communication.
|
| TCM |
Mainly transmits the following signals to ABS actuator and electric unit (control unit) via CAN communication.
|
| BCM |
Mainly transmits the following signals to ABS actuator and electric unit (control unit) via CAN communication.
Mainly receives the following signals from ABS actuator and electric unit (control unit) via CAN communication.
|
| IPDM E/R |
Mainly transmits the following signals to ABS actuator and electric unit (control unit) via CAN communication.
|
| Steering angle sensor |
Mainly transmits the following signals to ABS actuator and electric unit (control unit) via CAN communication.
|
| Combination meter |
Mainly transmits the following signals to ABS actuator and electric unit (control unit) via CAN communication.
Mainly receives the following signals from ABS actuator and electric unit (control unit) via CAN communication.
|
OPERATION CHARACTERISTICS
VDC Function That Prevents Oversteer Tendency
-
During a cornering, brake force (brake fluid pressure) is applied on front wheel and rear wheel on the outer side of turn. Moment directing towards the outer side of turn is generated. Oversteer is prevented.

-
Changing driving lane on a slippery road, when oversteer tendency is judged large, engine output is controlled as well as brake force (brake fluid pressure) of 4 wheels. Oversteer tendency decreases.

VDC Function That Prevents Tendency
-
During a cornering, brake force (brake fluid pressure) is applied on front wheel and rear wheel on the inner side of turn. Moment directing towards the inner side of turn is generated. Understeer is prevented.

-
Applying braking during a cornering on a slippery road, when understeer tendency is judged large, engine output is controlled as well as brake force (brake fluid pressure) of four wheels. Understeer tendency decreases.

Tcs Function
System Description
-
Wheel spin status of drive wheel is detected by wheel sensor of 4 wheels. Engine output and transmission shift status is controlled so that slip rate of drive wheels is in appropriate level. When wheel spin occurs on drive wheel, ABS actuator and electric unit (control unit) perform brake force control of LH and RH drive wheels (apply brake force by increasing brake fluid pressure of drive wheel) and decrease engine torque by engine torque control. Wheel spin amount decreases. Engine torque is controlled to appropriate level.

-
TCS function can be switched to non-operational status (OFF). In this case, VDC OFF indicator lamp turns ON.
-
VDC warning lamp blinks while TCS function is in operation and indicates to the driver that the function is in operation.
-
CONSULT can be used to diagnose the system diagnosis.
-
Fail-safe function is adopted. When a malfunction occurs in TCS function, the control is suspended for VDC function, TCS function, brake limited slip differential (BLSD) function, brake assist function, brake force distribution function, and hill start assist function. The Nissan Ariya vehicle status becomes the same as models without VDC function, TCS function, brake limited slip differential (BLSD) function, brake assist function, brake force distribution function, and hill start assist function. However, ABS function and EBD function are operated normally. Refer to Fail-Safe.
SYSTEM DIAGRAM

INPUT SIGNAL AND OUTPUT SIGNAL
Major signal transmission between each unit via communication lines is shown in the following table.
| Component parts | Signal description |
|---|---|
| ECM |
Mainly transmits the following signals to ABS actuator and electric unit (control unit) via CAN communication.
|
| TCM |
Mainly transmits the following signals to ABS actuator and electric unit (control unit) via CAN communication.
|
| BCM |
Mainly transmits the following signals to ABS actuator and electric unit (control unit) via CAN communication.
Mainly receives the following signals from ABS actuator and electric unit (control unit) via CAN communication.
|
| IPDM E/R |
Mainly transmits the following signals to ABS actuator and electric unit (control unit) via CAN communication.
|
| Steering angle sensor |
Mainly transmits the following signals to ABS actuator and electric unit (control unit) via CAN communication.
|
| Combination meter |
Mainly transmits the following signals to ABS actuator and electric unit (control unit) via CAN communication.
Mainly receives the following signals from ABS actuator and electric unit (control unit) via CAN communication.
|
Abs Function
System Description
-
By preventing wheel lock through brake force (brake fluid pressure) control that is electronically controlled by detecting wheel speed during braking, stability during emergency braking is improved so that obstacles can be easily bypassed by steering operation.
-
During braking, control units calculates wheel speed and pseudo-Nissan Ariya vehicle speed, and transmits pressure increase, hold or decrease signals to actuator portion according to wheel slip status.
-
The following effects are obtained by preventing wheel lock during braking.

-
Nissan Ariya Vehicle tail slip is prevented during braking when driving straight.
-
Understeer and oversteer tendencies are moderated during braking driving on a corner.
-
Obstacles may be easily bypassed by steering operation during braking.
-
-
CONSULT can be used to diagnose the system diagnosis.
-
Fail-safe function is adopted. When a malfunction occurs in ABS function, the control is suspended for VDC function, TCS function, ABS function, brake limited slip differential (BLSD) function, brake assist function, brake force distribution function, and hill start assist function. The Nissan Ariya vehicle status becomes the same as models without VDC function, TCS function, ABS function, brake limited slip differential (BLSD) function, brake assist function, brake force distribution function, and hill start assist function. However, EBD function is operated normally. Refer to Fail-Safe.
NOTE:
-
ABS function has the characteristic as described here, This is not the device that helps reckless driving.
-
To stop Nissan Ariya vehicle efficiently, ABS does not operate and ordinary brake operates at low speed [Approximately 10 km/h (6 MPH) or less, but differs subject to road conditions).
-
Self-diagnosis is performed immediately after when engine starts and when Nissan Ariya vehicle initially is driven [by vehicle speed approximately 15 km/h (9 MPH)]. Motor sounds are generated during self-diagnosis. In addition, brake pedal may be felt heavy when depressing brake pedal lightly. These symptoms are not malfunctions.
SYSTEM DIAGRAM

INPUT SIGNAL AND OUTPUT SIGNAL
Major signal transmission between each unit via communication lines is shown in the following table.
| Component parts | Signal description |
|---|---|
| Combination meter |
Mainly receives the following signals from ABS actuator and electric unit (control unit) via CAN communication.
|
| BCM |
Mainly transmits the following signals to ABS actuator and electric unit (control unit) via CAN communication.
|
Ebd Function
System Description
-
By preventing rear wheel slip increase through rear wheel brake force (brake fluid pressure) control that is electronically controlled when slight skip on front and rear wheels are detected during braking, stability during braking is improved.
-
EBD function is expanded and developed from conventional ABS function and corrects rear wheel brake force to appropriate level by electronic control according to load weight (number of passengers).

-
During braking, control unit portion compares slight slip on front and rear wheels by wheel speed sensor signal, transmits drive signal to actuator portion when rear wheel slip exceeds front wheel slip for the specified value or more, and controls rear wheel brake force (brake fluid pressure) so that increase of rear wheel slip is prevented and slips on front wheel and rear wheel are nearly equalized. ABS control is applied when slip on each wheel increases and wheel speed is the threshold value of ABS control or less.

-
CONSULT can be used to diagnose the system diagnosis.
-
Fail-safe function is adopted. When a malfunction occurs in EBD function, the control is suspended for VDC function, TCS function, ABS function, EBD function, brake limited slip differential (BLSD) function, brake assist function, brake force distribution function, and hill start assist function. The Nissan Ariya vehicle status becomes the same as models without VDC function, TCS function, ABS function, EBD function, brake limited slip differential (BLSD) function, brake assist function, brake force distribution function, and hill start assist function. Refer to Fail-Safe.
SYSTEM DIAGRAM

INPUT SIGNAL AND OUTPUT SIGNAL
Major signal transmission between each unit via communication lines is shown in the following table.
| Component parts | Signal description |
|---|---|
| Combination meter |
Mainly receives the following signals from ABS actuator and electric unit (control unit) via CAN communication.
|
| BCM |
Mainly transmits the following signals to ABS actuator and electric unit (control unit) via CAN communication.
|
Brake Limited Slip Differential (blsd) Function
System Description
-
LH and RH driving wheel spin is always monitored. If necessary, appropriate brake force is independently applied to LH or RH driving wheel so that one-sided wheel spin is avoided and traction is maintained. Mainly starting ability is improved.
-
Brake limited slip differential (BLSD) function operates while VDC function is in non-operational status (OFF).
-
VDC warning lamp blinking while brake limited slip differential (BLSD) function is in operation and indicates to the driver that the function is in operation.
-
Slight vibrations are felt on the brake pedal and the operation noises occur, when brake limited slip differential (BLSD) function operates. This is not a malfunction because it is caused by brake limited slip differential (BLSD) function that is normally operated.
-
Fail-safe function is adopted. When a malfunction occurs in brake limited slip differential (BLSD) function, the control is suspended for VDC function, TCS function, brake limited slip differential (BLSD) function, brake assist function, brake force distribution function, and hill start assist function. The Nissan Ariya vehicle status becomes the same as models without VDC function, TCS function, brake limited slip differential (BLSD) function, brake assist function, brake force distribution function, and hill start assist function. However, ABS function and EBD function are operated normally. Refer to Fail-Safe.
SYSTEM DIAGRAM

INPUT SIGNAL AND OUTPUT SIGNAL
Major signal transmission between each unit via communication lines is shown in the following table.
| Component parts | Signal description |
|---|---|
| ECM |
Mainly transmits the following signals to ABS actuator and electric unit (control unit) via CAN communication.
|
| TCM |
Mainly transmits the following signals to ABS actuator and electric unit (control unit) via CAN communication.
|
| BCM |
Mainly transmits the following signals to ABS actuator and electric unit (control unit) via CAN communication.
Mainly receives the following signals from ABS actuator and electric unit (control unit) via CAN communication.
|
| IPDM E/R |
Mainly transmits the following signals to ABS actuator and electric unit (control unit) via CAN communication.
|
| Steering angle sensor |
Mainly transmits the following signals to ABS actuator and electric unit (control unit) via CAN communication.
|
| Combination meter |
Mainly transmits the following signals to ABS actuator and electric unit (control unit) via CAN communication.
Mainly receives the following signals from ABS actuator and electric unit (control unit) via CAN communication.
|
Brake Assist Function
System Description
-
When the driver brakes hard in an emergency, the stopping distance is reduced by increasing brake fluid pressure.
-
Fail-safe function is adopted. When a malfunction occurs in brake assist function, the control is suspended for VDC function, TCS function, brake limited slip differential (BLSD) function, brake assist function, brake force distribution function, and hill start assist function. The Nissan Ariya vehicle status becomes the same as models without VDC function, TCS function, brake limited slip differential (BLSD) function, brake assist function, brake force distribution function, and hill start assist function. Refer to Fail-Safe.
SYSTEM DIAGRAM

INPUT SIGNAL AND OUTPUT SIGNAL
Major signal transmission between each unit via communication lines is shown in the following table.
| Component parts | Signal description |
|---|---|
| ECM |
Mainly transmits the following signals to ABS actuator and electric unit (control unit) via CAN communication.
|
| TCM |
Mainly transmits the following signals to ABS actuator and electric unit (control unit) via CAN communication.
|
| BCM |
Mainly transmits the following signals to ABS actuator and electric unit (control unit) via CAN communication.
Mainly receives the following signals from ABS actuator and electric unit (control unit) via CAN communication.
|
| IPDM E/R |
Mainly transmits the following signals to ABS actuator and electric unit (control unit) via CAN communication.
|
| Steering angle sensor |
Mainly transmits the following signals to ABS actuator and electric unit (control unit) via CAN communication.
|
| Combination meter |
Mainly transmits the following signals to ABS actuator and electric unit (control unit) via CAN communication.
Mainly receives the following signals from ABS actuator and electric unit (control unit) via CAN communication.
|
Brake Force Distribution Function
System Description
-
Brake force distribution function helps provide a more stable and secure feeling.

-
During cornering, when brake operation is performed brake fluid pressure of each wheel is controlled based on steering operation amount by the driver and Nissan Ariya vehicle cornering status amount detected by each sensor.

-
Fail-safe function is adopted. When a malfunction occurs in brake force distribution function, the control is suspended for VDC function, TCS function, brake limited slip differential (BLSD) function, brake assist function, brake force distribution function, and hill start assist function. The Nissan Ariya vehicle status becomes the same as models without VDC function, TCS function, brake limited slip differential (BLSD) function, brake assist function, brake force distribution function, and hill start assist function. However ABS function and EBD function are operated normally. Refer to Fail-Safe.
NOTE:
Brake force distribution function may not always be operates in all driving conditions.
SYSTEM DIAGRAM

INPUT SIGNAL AND OUTPUT SIGNAL
Major signal transmission between each unit via communication lines is shown in the following table.
| Component parts | Signal description |
|---|---|
| ECM |
Mainly transmits the following signals to ABS actuator and electric unit (control unit) via CAN communication.
|
| TCM |
Mainly transmits the following signals to ABS actuator and electric unit (control unit) via CAN communication.
|
| BCM |
Mainly transmits the following signals to ABS actuator and electric unit (control unit) via CAN communication.
Mainly receives the following signals from ABS actuator and electric unit (control unit) via CAN communication.
|
| IPDM E/R |
Mainly transmits the following signals to ABS actuator and electric unit (control unit) via CAN communication.
|
| Steering angle sensor |
Mainly transmits the following signals to ABS actuator and electric unit (control unit) via CAN communication.
|
| Combination meter |
Mainly transmits the following signals to ABS actuator and electric unit (control unit) via CAN communication.
Mainly receives the following signals from ABS actuator and electric unit (control unit) via CAN communication.
|
Hill Start Assist Function
System Description
-
This function maintains brake fluid pressure so that the vehicle does not move backwards even if brake pedal is released to depress accelerator pedal to start the Nissan Ariya vehicle while it is stopped on an uphill slope by depressing brake pedal.
-
This function operates when the Nissan Ariya vehicle is in stop status on an uphill slope of slope ratio 10% or more and electric shift selector is in the position other than P or N.
-
hill start assist function is only for the start aid. It maintains the brake fluid pressure for approximately 2 seconds after releasing the brake pedal, and then decreases the pressure gradually. If the Nissan Ariya vehicle can start by the accelerator operation, the brake is released automatically and a smooth start can be performed.
-
Fail-safe function is adopted. When a malfunction occurs in hill start assist function, the control is suspended for VDC function, TCS function, brake limited slip differential (BLSD) function, brake assist function, brake force distribution function, and hill start assist function. The Nissan Ariya vehicle status becomes the same as models without VDC function, TCS function, brake limited slip differential (BLSD) function, brake assist function, brake force distribution function, and hill start assist function. Refer to Fail-Safe.
SYSTEM DIAGRAM

INPUT SIGNAL AND OUTPUT SIGNAL
Major signal transmission between each unit via communication lines is shown in the following table.
| Component parts | Signal description |
|---|---|
| ECM |
Mainly transmits the following signals to ABS actuator and electric unit (control unit) via CAN communication.
|
| TCM |
Mainly transmits the following signals to ABS actuator and electric unit (control unit) via CAN communication.
|
| BCM |
Mainly transmits the following signals to ABS actuator and electric unit (control unit) via CAN communication.
Mainly receives the following signals from ABS actuator and electric unit (control unit) via CAN communication.
|
| IPDM E/R |
Mainly transmits the following signals to ABS actuator and electric unit (control unit) via CAN communication.
|
| Steering angle sensor |
Mainly transmits the following signals to ABS actuator and electric unit (control unit) via CAN communication.
|
| Combination meter |
Mainly transmits the following signals to ABS actuator and electric unit (control unit) via CAN communication.
Mainly receives the following signals from ABS actuator and electric unit (control unit) via CAN communication.
|
Warning/indicator/chime List
Warning Lamp/Indicator Lamp
FOR USA
| Name | Design | Layout/Function |
|---|---|---|
| ABS warning lamp | ![]() |
For layout
|
|
For function
|
||
| VDC warning lamp | ![]() |
For layout
|
|
For function
|
||
| Brake warning lamp | ![]() |
For layout
|
|
For function
|
||
| VDC OFF indicator lamp | ![]() |
For layout
|
|
For function
|
||
| Electric parking brake indicator lamp | ![]() |
For layout
|
|
For function
|
||
| Electric parking brake warning lamp | ![]() |
For layout
|
|
For function
|
EXCEPT FOR USA
| Name | Design | Layout/Function |
|---|---|---|
| ABS warning lamp | ![]() |
For layout: Refer to Design. |
| For function: Refer to ABS Warning Lamp. | ||
| VDC warning lamp | ![]() |
For layout: Refer to Design. |
| For function: Refer to VDC Warning Lamp. | ||
| Brake warning lamp | ![]() |
For layout: Refer to Design. |
| For function: Refer to Brake Warning Lamp. | ||
| VDC OFF indicator lamp | ![]() |
For layout: Refer to Design. |
| For function: Reefer to VDC OFF Indicator Lamp. | ||
| Electric parking brake indicator lamp | ![]() |
For layout: Refer to Design. |
| For function: Refer to Electric Parking Brake Indicator Lamp. | ||
| Electric parking brake warning lamp | ![]() |
For layout: Refer to Design. |
| For function: Refer to Electric Parking Brake Warning Lamp. |
Other materials:
Exhaust Gas Temperature Sensor
Component Inspection
CHECK EXHAUST GAS TEMPERATURE SENSOR
Turn ignition switch OFF.
Disconnect exhaust gas temperature sensor harness connector.
Check resistance between exhaust gas temperature sensor connector terminals.
Exhaust gas temperature sensor Resistance (kΩ)
Connecto ...
Power outlets
Basic information
Instrument panel
Luggage area (if so equipped)
The Nissan Rogue is equipped with power outlets located in the lower part of the instrument panel and, on some models, in the luggage area. These outlets allow you to power small electronic accessories while on the road.
CAUTIO ...
Wireless Charger. Removal and Installation
Wireless Charger Unit
Removal and Installation
REMOVALRemove the console finisher assembly. Refer to Removal and Installation.
Press the wireless charger unit pawl from the back of the console finisher assembly to remove the wireless charger unit .
: Pawl
INSTALLATIONNote the followin ...









