Nissan Rogue (T33) 2021-Present Service Manual: Steering Switch Signal B Circuit
Component Function Check
CHECK COMBINATION METER INPUT SIGNAL
CONSULT
-
Ignition switch ON.
-
Select “Steering switch input” in “Data monitor” mode of “M&A”.
-
Check that the function operates normally according to the following conditions:
| Condition | Value |
|---|---|
| CONTROL switch is pressed | SW1 |
| Jog dial is rotated to upward | SW2 |
| Jog dial is rotated to downward | SW3 |
| OK switch is pressed | SW4 |
| LEFT/BACK switch is pressed | SW5 |
| RIGHT switch is pressed | SW6 |
| VOL DOWN switch is pressed | SW7 |
| VOL UP switch is pressed | SW8 |
| TEL END switch is pressed | SW9 |
| VR/TEL switch is pressed | SW10 |
| SEEK DOWN switch is pressed | SW11 |
| SEEK UP switch is pressed | SW12 |
| Other than above | NO INPUT |
Is the inspection result normal?
YES>>Inspection End.
NO>>Refer to Diagnosis Procedure.
Diagnosis Procedure
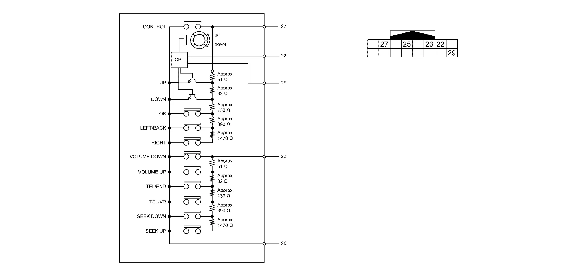
CHECK STEERING SWITCH SIGNAL B CIRCUIT
-
Disconnect combination meter harness connector and spiral cable harness connector.
-
Check continuity between combination meter harness connector and spiral cable harness connector.
Combination meter Spiral cable Continuity Connector Terminal Connector Terminal M73 (U.S.A. production)
M77 (Japan production)23 M30 9 Yes -
Check continuity between combination meter harness connector and ground.
Combination meter Ground Continuity Connector Terminal M73 (U.S.A. production)
M77 (Japan production)23 No
Is the inspection result normal?
YES>>GO TO 2.
NO>>Repair harness or connector.
CHECK STEERING SWITCH SIGNAL GROUND CIRCUIT
-
Check continuity between combination meter harness connector and spiral cable harness connector.
Combination meter Spiral cable Continuity Connector Terminal Connector Terminal M73 (U.S.A. production)
M77 (Japan production)34 M30 11 Yes -
Check continuity between combination meter harness connector and ground.
Combination meter Ground Continuity Connector Terminal M73 (U.S.A. production)
M77 (Japan production)34 No
Is the inspection result normal?
YES>>GO TO 3.
NO>>Repair harness or connector.
CHECK SPIRAL CABLE
-
Disconnect spiral cable harness connectors.
-
Check continuity between spiral cable harness connectors.
Spiral cable Continuity Connector Terminal Connector Terminal M154 23 M30 9 Yes 25 11
Is the inspection result normal?
YES>>GO TO 4.
NO>>Replace spiral cable. Refer to Removal and Installation.
CHECK STEERING SWITCH
Check steering switch. Refer to Component Inspection.
Is the inspection result normal?
YES>>Inspection End.
NO>>Replace steering switches. Refer to Removal and Installation.
Component Inspection
CHECK STEERING SWITCH
-
Remove steering switch. Refer to Removal and Installation.
-
Measure the resistance between the steering switch connector.
Steering switch Condition Resistance
(Approx.) ΩTerminal 23 25 SEEK UP switch is pressed 2080.54 – 2165.46 SEEK DOWN switch is pressed 639.94 – 666.06 TEL/VR switch is pressed 257.74 – 268.26 TEL END switch is pressed 130.34 – 135.66 VOL UP switch is pressed 49.98 – 52.02 VOL DOWN switch is pressed 1 or less 
Is the inspection result normal?
YES>>Inspection End.
NO>>Replace steering switch. Refer to Removal and Installation.
Other materials:
AEB with Pedestrian Detection system limitations
WARNING
The following limitations apply to the AEB with Pedestrian Detection system. Not following these instructions while driving your Nissan Rogue can lead to serious injury or death.
The AEB with Pedestrian Detection system cannot detect all vehicles, pedestrians or cyclists in every situatio ...
Symptom Diagnosis. Unbalance Steering Wheel Turning Force and Return Between Right and Left
Description
Unbalance steering wheel turning force and return between right and left.
Diagnosis Procedure
PERFORM SELF-DIAGNOSIS
CONSULT
Pull the parking brake switch.
NOTE:
Check to make sure that the parking brake switch indicator is turned ON.
Ignition switch OFF.
Get out ...
B24f4-12 Heated Steering Wheel Relay
DTC Description
DTC DETECTION LOGIC DTC No.
CONSULT screen terms
(Trouble diagnosis content) DTC detection condition
B24F4-12
Heated steering wheel relay
(Heated steering wheel relay)
Diagnosis condition
Ignition switch ON
Signal (Terminal)
Heated steering wheel relay cont ...
