Nissan Rogue (T33) 2021-Present Service Manual: Kr15ddt :: System Description. Description
Description
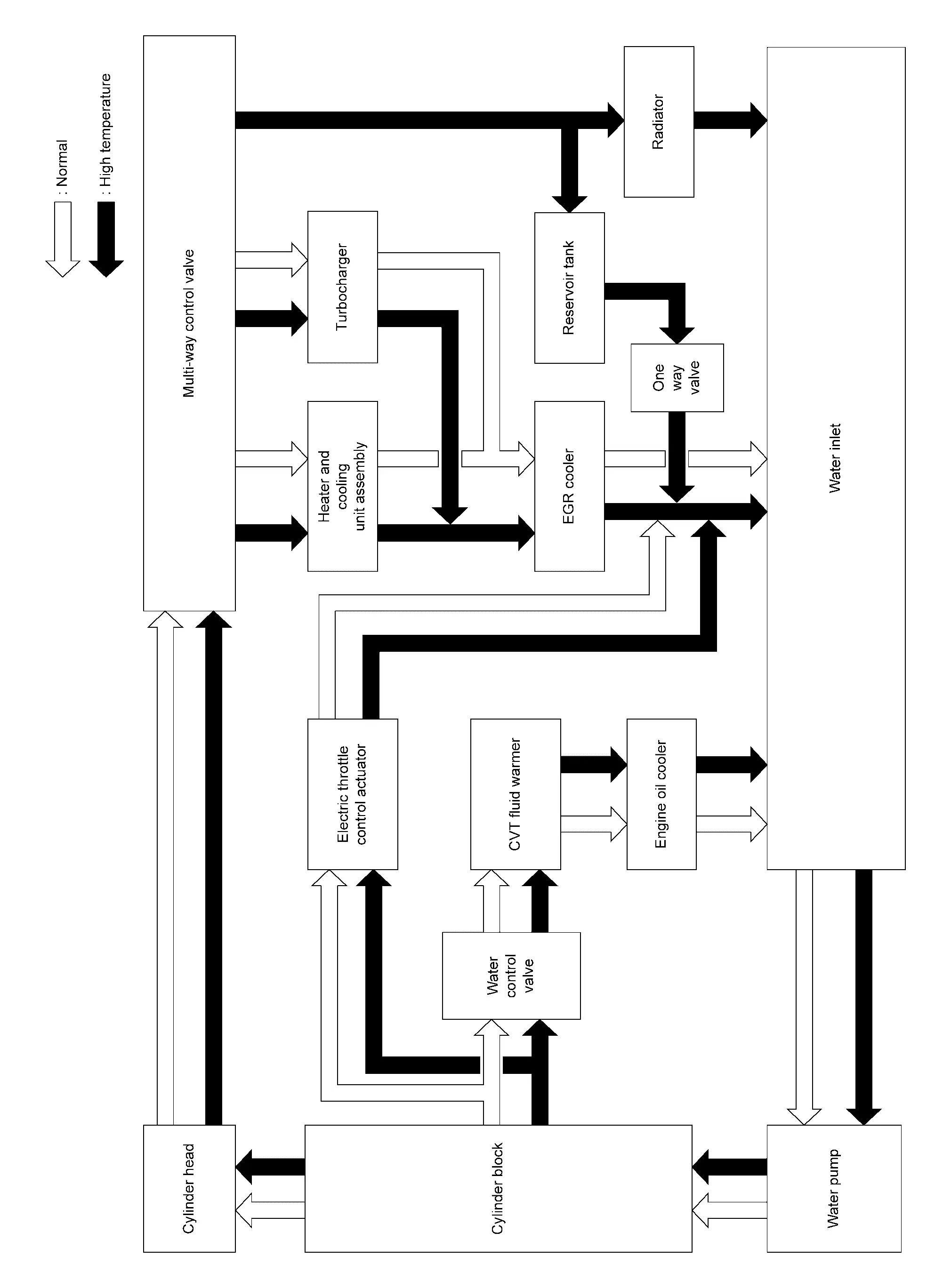
Engine Cooling System

![]() |
Water pump | ![]() |
Water pump housing | ![]() |
Oil cooler |
![]() |
Multi-way control valve | ![]() |
Turbocharger assembly | ![]() |
EGR cooler |
![]() |
From reservoir tank | ![]() |
From CVT oil warmer | ![]() |
To electric throttle control actuator |
![]() |
From electric throttle control actuator | ![]() |
From radiator | ![]() |
To turbocharger assembly |
![]() |
To heater | ![]() |
To radiator | ![]() |
To CVT oil warmer |
![]() |
From heater |
Engine Cooling System Schematic

Other materials:
Transfer Oil Temperature Sensor
Component Inspection
CHECK TRANSFER OIL TEMPERATURE SENSOR
Ignition switch OFF.
Remove transfer oil temperature sensor. Refer to Removal and Installation.
Check the resistance between transfer oil temperature sensor connector terminals.
Make measuring condition using burning hot ...
Basic Inspection. Lithium Ion Battery 12v. Diagnosis and Repair Work Flow
Diagnosis and Repair Work Flow
Work Flow
OVERALL SEQUENCEDETAILED FLOWINTERVIEW AND SYMPTOM CONFIRMATION
Interview the customer to obtain the malfunction information (conditions and environment when the malfunction occurred).
>>
GO TO 2.
CHECK DTC (LITHIUM ION BATTERY 12V)
Check ...
B2223-1c Combination Meter
DTC Description
DTC DETECTION LOGIC DTC No.
CONSULT screen terms
(Trouble diagnosis content) DTC detected condition
B2223-1C
Combination meter
(Combination meter)
Diagnosis condition
When ignition switch is ON.
Signal (terminal)
—
Threshold
TFT error is detected ...
















