Nissan Rogue (T33) 2021-Present Service Manual: Drive Plate
Exploded View

![]() |
Drive plate | ![]() |
Drive plate reinforcement | ![]() |
Pilot converter |
![]() |
O-ring (NMK production only) | ![]() |
Crankshaft position sensor | ||
![]() |
Comply with the assembly procedure when installing. Refer to Removal and Installation. | ![]() |
: Chamfered | ||
![]() |
: Crankshaft side | ||||
![]() |
: N·m (kg-m, ft-lb) | ||||
![]() |
: N·m (kg-m, in-lb) | ||||
![]() |
: Should be lubricated with oil. | ||||
![]() |
: Always replace after every disassembly. | ||||
Removal and Installation
REMOVAL
Remove the engine and the transaxle assembly from the vehicle, and separate the transaxle from the engine. Refer to Removal and Installation.
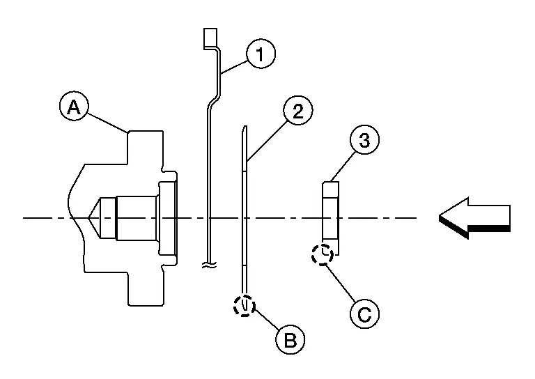
Remove the drive plate using the following procedure:Secure crankshaft pulley
with a pulley holder (A).

CAUTION:
-
Do not disassemble drive plate.
-
Do not place drive plate with signal plate facing down.
-
When handling signal plate, take care not to damage or scratch drive plate and signal plate.
-
Handle signal plate in a manner that prevents them from becoming magnetized.
Remove the pilot converter
from the rear end of the crankshaft. Use a suitable tool (A) if necessary.

Remove the crankshaft position sensor if necessary.
INSTALLATION
Install drive plate
, drive plate reinforcement
and pilot converter
as shown.

-
Using a suitable drift of 33 mm (1.30 in) in diameter, press fit the pilot converter into the end of the crankshaft
until it stops.CAUTION:
Be careful not to damage or scratch the drive plate and signal plate.

: Rounded 
: Chamfered 
: Engine front
Hand tighten drive plate bolts in a diagonal order over several steps.
Tighten drive plate bolts using a suitable tool in a diagonal order over several steps.
If removed, install the crankshaft position sensor.
Installation of the remaining components is in the reverse order of removal.
CAUTION:
If crankshaft position sensor replaced, perform "ELECTRIC IVT CONTROL ACTUATOR POSITION LEARNING". Refer to Description.
Inspection
DRIVE PLATE DEFLECTION
Appearance of Drive Plate
Check the drive plate
and signal plate
for defamation or damage.

CAUTION:
-
Do not disassemble drive plate.
-
Do not place drive plate with signal plate
facing down. -
When handling signal plate, take care not to damage or scratch it.
-
Handle signal plate that prevents it from becoming magnetized.
Check drive plate signal plate for deformation or damage.
Replace drive plate if dents, scratches or damage exist.
Drive Plate Lateral Run-Out
-
Install drive plate to crankshaft and measure deflection with dial indicator (A).

CAUTION:
-
Do not disassemble drive plate.
-
Do not place drive plate with signal plate facing down.
-
When handling signal plate, take care not to damage or scratch it.
-
Handle signal plate that prevents it from becoming magnetized.
-
If damage is found, replace drive plate.
-
-
Measure deflection on the drive plate to torque converter contact surface
. Measurements should be taken 11.0 - 20.6 mm (0.43 - 0.811 in) from the center of the torque converter bolt hole.Standard : 0.35 mm (0.014 in) or less. -
If the measurement value is outside the reference value, replace drive plate.
Other materials:
Adas Control Unit. Precaution. Precautions
Precautions
Precaution for Supplemental Restraint System (SRS) "AIR BAG" and "SEAT BELT PRE-TENSIONER"
The Supplemental Restraint System such as “AIR BAG” and “SEAT BELT
PRE-TENSIONER”, used along with a front seat belt, helps to reduce the
risk or severity of injury to the driver and ...
Symptom Diagnosis. Tire Pressure Monitoring System Symptom
Symptom Table
LOW TIRE PRESSURE WARNING LAMP SYMPTOM CHART Diagnosis items
Symptom
(Ignition switch ON) Low tire pressure warning lamp Cause Action
Low tire pressure warning lamp
The low tire pressure warning lamp illuminates for 1 second, then turns OFF.
Wake-up operation fo ...
Symptom Diagnosis. Squeak and Rattle Trouble Diagnoses
Work Flow
CUSTOMER INTERVIEWInterview
the customer if possible, to determine the conditions that exist when
the noise occurs. Use the Diagnostic Worksheet during the interview to
document the facts and conditions when the noise occurs and any of
customer's comments. Refer to Diagnostic Work ...







