Nissan Rogue (T33) 2021-Present Service Manual: Removal and Installation :: Passenger Knee Air Bag Module
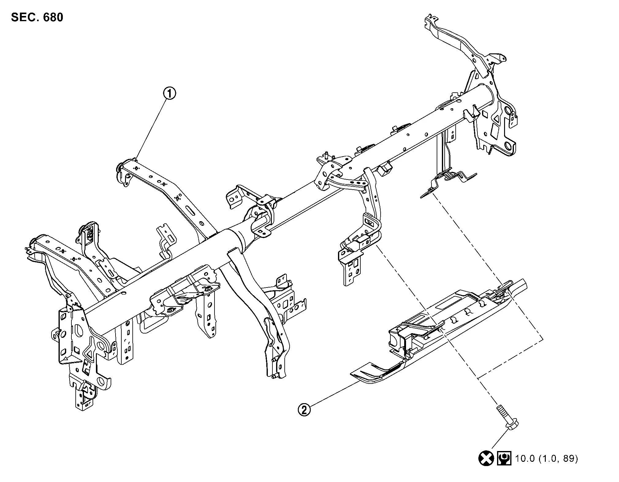
Exploded View

![]() |
Steering member | ![]() |
Passenger knee air bag module | ||
![]() |
: Always replace after every disassembly. | ||||
![]() |
: N·m (kg-m, in-lb) | ||||
Removal and Installation
WARNING:
Always observe the following items for preventing accidental activation.
-
Before servicing, ignition switch OFF, disconnect battery negative terminal and wait for 3 minutes or more (discharges electricity held in the additional power supply circuit of the air bag diagnosis sensor unit).
-
Always work from the side of air bag module. Never work in front of it.
REMOVAL
Remove glove box. Refer to Removal and Installation.
Remove dash side finisher RH. Refer to Removal and Installation.
Remove passenger knee air bag module mounting bolts
, and then remove passenger knee air bag module.

Disconnect passenger knee air bag module harness connector
.

CAUTION:
USA production:
-
For removing the lap pre-tensioner harness connector, lift tabs to release the lock and remove the harness connector.

-
For installing the harness connector, align the connector housing, then press firmly on the connector until the locking tabs are engaged.
CAUTION:
Japan production
-
For installing/removing the passenger knee air bag harness connector, insert a thin screwdriver wrapped in tape into notch, lift lock and remove the connector.

-
Install connector with lock raised, and push lock into the connector.
-
After installing the connector, check that the lock is pushed securely into it.
Remove instrument lower cover mounting nuts, and then remove instrument lower cover from passenger knee air bag module ( if equipped). Refer to Exploded View.
CAUTION:
-
To prevent accidental explosion, always place the passenger knee air bag module with deploying direction facing upward.


: Upward -
To prevent damage to the parts, never impact the passenger knee air bag module.

-
Replace passenger knee air bag module if it is dropped or sustains an impact.
-
To prevent accidental explosion, never insert any foreign objects (screwdriver, etc.) into the passenger knee air bag module.
-
To prevent accidental explosion, never disassemble the passenger knee air bag module.
-
To prevent accidental explosion, never expose the passenger knee air bag module to temperature of more than 90 °C (194 °F).
-
To prevent damage to the parts, never allow oil, grease, detergent, or water to come in contact with the passenger knee air bag module.
INSTALLATION
Note the following items, and then install in the reverse order of removal.
CAUTION:
-
Never reuse mounting bolts after removal, replace with new bolts.
-
Never damage the harness while installing.
-
After installation is completed, perform self-diagnosis using CONSULT or air bag warning lamp, if the system is normal and ″PAST″ of ″Self Diagnostic Result″ is indicated, always perform ″ERASE″ of ″Self Diagnostic Result″ using CONSULT. Refer to Work Flow.
-
After the work is completed, check that no system malfunction is detected by air bag warning lamp.
Other materials:
Dtc/circuit Diagnosis. Thigh Support Motor
Component Function Check
CHECK FUNCTION
CONSULT
Ignition switch ON.
Select “Thigh support motor” in “Active test” mode of “DRIVER SEAT”.
Check thigh support motor LH operation.
Test item Operation
Thigh support motor
Up
Thigh support
Upward
Down ...
Symptom Diagnosis. Easy Fill Tire Alert Does Not Activate
Description
The easy fill tire alert does not function while inflating a tire
when the CVT shift selector position is in P-range with the ignition
switch ON or with the engine started.NOTE:
After starting to inflate the tire, it takes a few seconds for the easy fill tire alert to function. ...
Reporting safety defects
For USA
If you believe that your vehicle has a defect that could cause a crash or lead to injury or death, you should immediately inform the National Highway Traffic Safety Administration (NHTSA) in addition to notifying NISSAN. This applies whether you drive a Nissan Rogue or another NISSAN model.
...




