Nissan Rogue (T33) 2021-2026 Manuel du Conducteur: Fonctionnement du système d'écran de visualisation du périmètre intelligent

Pour permettre l’affichage de plusieurs angles de vue simultanés, le système d’écran de visualisation du périmètre intelligent du Nissan Rogue s’appuie sur un ensemble de caméras stratégiquement positionnées. Celles-ci sont installées à l’avant sur la calandre, sur chacun des rétroviseurs extérieurs, ainsi que juste au-dessus de la plaque d’immatriculation arrière du véhicule, offrant ainsi une vision complète de l’environnement immédiat.
Informations de base
Lorsque le contact d’allumage du Nissan Rogue est placé sur la position ON, appuyez sur le bouton CAMÉRA situé sur la console ou placez le levier de changement de vitesses en position R (marche arrière) afin d’activer l’écran de visualisation du périmètre intelligent et d’afficher les vues disponibles.
L’écran de visualisation du périmètre intelligent revient automatiquement à l’écran précédent environ trois minutes après avoir appuyé sur le bouton CAMÉRA, lorsque le levier de vitesses est placé sur une position autre que R (marche arrière). Sur les versions Nissan Rogue Rock Creek avec le mode OFF-ROAD sélectionné, cette fonction de retour automatique est désactivée afin de favoriser la conduite hors route.
Vues disponibles (modèles sans vue en 3D)
AVERTISSEMENT
- Les lignes de guidage de distance et les lignes de largeur du véhicule doivent être utilisées uniquement comme référence lorsque le Nissan Rogue se trouve sur une surface lisse et plane. La distance affichée à l’écran peut différer de la distance réelle par rapport aux objets.
- Utilisez les lignes affichées et la vue à vol d’oiseau uniquement comme aide visuelle. Leur précision peut varier en fonction du nombre d’occupants, du niveau de carburant, de la position du véhicule et de l’état ou du dévers de la route.
- Si les pneus sont remplacés par des pneus de dimensions différentes, les lignes de parcours prédictives et la vue à vol d’oiseau peuvent s’afficher de manière incorrecte.
- En montée, les objets affichés sur le moniteur paraissent plus éloignés qu’en réalité. En descente, ils peuvent sembler plus proches qu’ils ne le sont réellement.
- Les objets visibles dans la vue arrière apparaissent inversés par rapport à la vue perçue dans le rétroviseur intérieur ou les rétroviseurs extérieurs.
- Utilisez toujours les rétroviseurs et la vision directe afin d’évaluer correctement les distances entre le Nissan Rogue et les obstacles environnants.
- La distance entre les objets affichés en vue arrière diffère de la distance réelle en raison de l’utilisation d’un objectif grand angle.
- Sur route enneigée ou glissante, un écart peut apparaître entre la ligne de parcours prédictive affichée et le déplacement réel du véhicule.
- Les lignes de largeur du véhicule et les lignes de parcours prédictives apparaissent plus larges qu’en réalité.

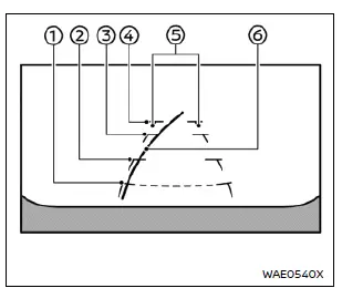
Vue avant

Vue arrière
Vue avant et arrière :
Des lignes de guidage sont affichées sur le moniteur afin d’indiquer la largeur approximative du Nissan Rogue ainsi que la distance séparant le véhicule des objets situés à proximité de la carrosserie.
Lignes de distance :
Elles indiquent les distances par rapport à la carrosserie du véhicule.
- Ligne rouge 1 : environ 0,5 m (1,5 pi)
- Ligne jaune 2 : environ 1 m (3 pi)
- Ligne verte 3 : environ 2 m (7 pi)
- Ligne verte 4 (si le véhicule en est équipé) : environ 3 m (10 pi)
Lignes de largeur du véhicule 5 :
Ces lignes représentent la largeur approximative du Nissan Rogue.
Lignes de parcours prédictives 6 :
Les lignes de parcours prédictives indiquent la trajectoire estimée du véhicule en fonction de l’angle de rotation du volant. Elles se déplacent dynamiquement lorsque le volant est tourné.
Les lignes de parcours prédictives ne s’affichent pas sur la vue arrière lorsque le volant est en position droite.
La vue avant ne s’affiche pas aux vitesses suivantes :
- 10 km/h (6 mi/h) et plus (sauf pour Rock Creek ou Rock Creek avec le mode OFF-ROAD non sélectionné)
- 20 km/h (12 mi/h) et plus pour Rock Creek lorsque le mode OFF-ROAD est sélectionné
REMARQUE :
- Lorsque la vue avant est affichée et que le volant est tourné de 90 degrés ou moins par rapport à la position droite, les lignes de parcours prédictives droite et gauche apparaissent. Au-delà de 90 degrés, seule la ligne opposée au sens de rotation du volant est affichée.

Vue à vol d'oiseau :
La vue à vol d’oiseau offre une représentation du Nissan Rogue vue du dessus, facilitant la vérification de la position du véhicule et l’évaluation des manœuvres recommandées lors des opérations de stationnement.
L’icône du véhicule indique sa position approximative. La distance entre les objets affichés peut différer de la distance réelle.
Les zones situées entre les différentes vues de caméra sont affichées en noir lorsque le véhicule en est équipé.
Après la mise du contact sur ON, la zone non visible s’affiche temporairement en jaune pendant quelques secondes.
Les indicateurs de couleur ambre s’affichent lorsque le sonar est désactivé ou indisponible dans certaines conditions de virage.
Les lignes de parcours prédictives indiquent la manœuvre conseillée lors du déplacement du véhicule.
AVERTISSEMENT
- Les objets affichés en vue à vol d’oiseau paraissent plus éloignés qu’en réalité.
- Les objets de grande taille, tels que les trottoirs ou d’autres véhicules, peuvent ne pas être parfaitement alignés.
- Les objets situés au-dessus des caméras ne peuvent pas être affichés.
- Un mauvais positionnement de la caméra peut entraîner des défauts d’alignement.
- Les lignes au sol peuvent apparaître déformées ou décalées, en particulier à mesure qu’elles s’éloignent du Nissan Rogue.

Côté passager avant
Vue latérale avant :
Lignes de guidage :
Des lignes de guidage indiquent la largeur approximative et l’extrémité avant du Nissan Rogue.
La ligne avant représente l’extrémité avant du véhicule.
La ligne latérale indique la largeur du véhicule, rétroviseur extérieur compris.
Le prolongement des lignes avant et latérale est matérialisé par une ligne verte en pointillés.
Pour Rock Creek :
Les vues latérales avant côté conducteur et passager s’affichent lorsque le mode OFF-ROAD est activé via le sélecteur de mode de conduite.
MISE EN GARDE
Le clignotant peut être confondu avec la ligne latérale affichée. Ceci ne constitue pas un dysfonctionnement.

Côté passager avant
Vue latérale arrière (pour Rock Creek) :
Lignes de guidage :
Des lignes de guidage indiquent la largeur approximative et l’extrémité arrière du véhicule, aussi bien du côté conducteur que du côté passager avant.
La ligne arrière 1 représente l’arrière du véhicule et permet au conducteur d’évaluer avec plus de précision la position de l’extrémité arrière du Nissan Rogue lors des manœuvres à basse vitesse, notamment lors du stationnement ou de la conduite hors route.
La ligne latérale 2 au véhicule indique la largeur approximative du Nissan Rogue, rétroviseur extérieur compris. Cette ligne aide à mieux visualiser l’encombrement réel du véhicule dans des espaces étroits ou à proximité d’obstacles latéraux.
Les prolongements 3 des lignes arrière 1 et latérale 2 sont représentés par une ligne verte en pointillés. Ces prolongements fournissent une indication visuelle supplémentaire permettant d’anticiper la trajectoire et la position du Nissan Rogue par rapport à son environnement immédiat.
Cette vue est uniquement disponible lorsque le mode OFF-ROAD est sélectionné à l’aide du sélecteur de mode de conduite. Elle est spécialement conçue pour améliorer la perception de l’environnement lors de la conduite hors route avec le Nissan Rogue, en tenant compte des irrégularités du terrain.

Vue avant élargie

Vue arrière élargie
Vue avant/arrière élargie:
Alors que la vue avant/arrière standard affiche une image normale sur des écrans divisés, la vue avant élargie et la vue arrière élargie du Nissan Rogue affichent une zone plus large sur l’intégralité de l’écran. Cette présentation permet de mieux contrôler les angles morts situés sur les côtés droit et gauche du véhicule.
Lignes de distance 1 - 4:
Ces lignes indiquent les distances approximatives par rapport à la carrosserie du Nissan Rogue et doivent être utilisées comme aide visuelle complémentaire.
- Ligne rouge 1 : environ 0,5 m (1,5 pi)
- Ligne jaune 2 : environ 1 m (3 pi)
- Ligne verte 3 : environ 2 m (7 pi)
- Ligne verte 4 (vue avant élargie uniquement) : environ 3 m (10 pi)
Lignes de largeur du véhicule 5:
Ces lignes indiquent la largeur approximative du Nissan Rogue et permettent d’évaluer l’espace disponible de chaque côté du véhicule.
Lignes de parcours prédictives 6:
Les lignes de parcours prédictives indiquent la trajectoire estimée du véhicule lors de son déplacement. Elles se déplacent dynamiquement en fonction du degré de rotation du volant du Nissan Rogue.
Les lignes de parcours prédictives ne s’affichent pas sur la vue arrière élargie lorsque le volant est en position droite.
La vue avant élargie ne s’affiche pas aux vitesses suivantes :
- 10 km/h (6 mi/h) et plus, excepté pour la version Rock Creek ou pour Rock Creek avec le mode OFF-ROAD non sélectionné
- 20 km/h (12 mi/h) et plus pour Rock Creek lorsque le mode OFF-ROAD est sélectionné
REMARQUE:
- Lorsque le moniteur affiche la vue avant élargie et que le volant est tourné de 90 degrés ou moins par rapport à la position droite, les lignes de parcours prédictives droite et gauche s’affichent. Lorsque le volant est tourné de 90 degrés ou plus, une seule ligne de parcours prédictive apparaît du côté opposé au sens de rotation.
Vues disponibles (modèles avec vue en 3D)
AVERTISSEMENT
- Les lignes de guidage de distance et les lignes de largeur du véhicule doivent être utilisées uniquement comme référence lorsque le Nissan Rogue se trouve sur une surface lisse et plane.
- La vue à vol d’oiseau et les lignes affichées peuvent varier selon le nombre d’occupants, le niveau de carburant, la position du véhicule et l’état de la route.
- Le remplacement des pneus par des dimensions différentes peut entraîner un affichage incorrect des lignes et des vues.
- En montée ou en descente, les objets affichés peuvent sembler plus éloignés ou plus proches qu’en réalité.
- Les objets apparaissent inversés sur la vue arrière par rapport aux rétroviseurs.
- Utilisez toujours les rétroviseurs et la vision directe pour estimer correctement les distances.
- Les objectifs grand angle peuvent modifier la perception réelle des distances.
- Sur route glissante ou enneigée, la trajectoire affichée peut différer du mouvement réel du Nissan Rogue.
- Les lignes affichées sont volontairement plus larges que la réalité.

Vue avant

Vue arrière
Vue avant et arrière:
Des lignes de guidage indiquant la largeur approximative du Nissan Rogue ainsi que la distance entre le véhicule et les objets environnants sont affichées sur le moniteur.
Lignes de largeur du véhicule 1:
Ces lignes représentent la largeur globale du véhicule.
Lignes de parcours prédictives 2:
Elles indiquent le parcours prédictif du Nissan Rogue en fonction de la rotation du volant.
Lignes de distance :
Ces lignes indiquent les distances approximatives par rapport à la carrosserie du véhicule.
- Ligne rouge 3 : environ 0,5 m (1,5 pi)
- Ligne bleue 4 : environ 1 m (3 pi)
- Ligne bleue 5 : environ 2 m (7 pi)
- Ligne bleue 6 : environ 3 m (10 pi)
La vue avant ne s’affiche pas lorsque la vitesse du véhicule dépasse 15 km/h (9 mi/h) sur les modèles sans vue Capot invisible ou 20 km/h (12 mi/h) sur les modèles équipés de la vue Capot invisible.

Exemple
Vue à vol d'oiseau:
La vue à vol d’oiseau offre une représentation du Nissan Rogue vu du dessus, facilitant l’évaluation de sa position et de la manœuvre recommandée lors du stationnement.
L’icône du véhicule indique sa position. La distance affichée peut différer de la distance réelle.
Les lignes de parcours prédictives indiquent la trajectoire conseillée lors du déplacement du véhicule.
AVERTISSEMENT
- Les objets affichés peuvent sembler plus éloignés qu’en réalité.
- Les objets volumineux peuvent ne pas être correctement alignés.
- Les objets situés au-dessus des caméras ne sont pas visibles.
- Un mauvais positionnement des caméras peut provoquer des défauts d’alignement.
- Les lignes au sol peuvent apparaître déformées à mesure qu’elles s’éloignent du véhicule.

Côté passager avant
Vue latérale avant:
Lignes de guidage :
Des lignes de guidage indiquent la largeur approximative et l’extrémité avant du Nissan Rogue, côté conducteur et côté passager avant.
La ligne avant 1 représente l’avant du véhicule.
La ligne latérale 2 indique la largeur du véhicule, rétroviseur extérieur compris.
Le prolongement 3 des lignes est matérialisé par une ligne bleue.
MISE EN GARDE
Le clignotant peut ressembler à la ligne affichée sur le côté du véhicule. Ceci ne constitue pas un dysfonctionnement.

Vue avant élargie (Type A) (si le véhicule en est équipé)

Vue avant élargie (Type B) (si le véhicule en est équipé)

Vue arrière élargie
Vue avant/arrière élargie:
Alors que la vue avant/arrière standard affiche une image classique répartie sur des écrans divisés, la vue avant élargie et la vue arrière élargie du Nissan Rogue présentent une zone de visualisation plus étendue sur l’intégralité de l’écran. Cette configuration permet au conducteur de mieux identifier les angles morts situés sur les côtés droit et gauche du véhicule, notamment lors des manœuvres à basse vitesse ou dans des environnements à visibilité réduite.
Lignes de largeur du véhicule 1:
Ces lignes indiquent la largeur approximative du Nissan Rogue et incluent la largeur totale du véhicule, rétroviseurs extérieurs compris, afin d’aider à évaluer précisément l’espace disponible lors du stationnement ou du franchissement d’obstacles latéraux.
Lignes de parcours prédictives 2:
Les lignes de parcours prédictives indiquent la trajectoire estimée du véhicule pendant son déplacement. Sur le Nissan Rogue, ces lignes se déplacent dynamiquement en fonction du degré de rotation du volant, offrant ainsi une anticipation visuelle de la direction du véhicule.
Lignes de distance :
Les lignes de distance indiquent les distances approximatives par rapport à la carrosserie du véhicule et doivent être utilisées comme aide visuelle complémentaire.
- Ligne rouge 3 : environ 0,5 m (1,5 pi)
- Ligne bleue 4 : environ 1 m (3 pi)
- Ligne bleue 5 : environ 2 m (7 pi)
- Ligne bleue 6 : environ 3 m (10 pi)
La vue avant élargie ne s’affiche pas lorsque la vitesse du Nissan Rogue est supérieure à 15 km/h (9 mi/h) pour les modèles sans vue Capot invisible, ou à 20 km/h (12 mi/h) pour les modèles équipés de la vue Capot invisible, afin de garantir une utilisation adaptée aux manœuvres à basse vitesse.
Emplacements sauveg. (si le véhicule en est équipé) :
Il est possible d’enregistrer certains emplacements où la vue avant élargie s’affichera automatiquement. Cette fonction permet d’activer l’assistance visuelle au moment opportun sans intervention manuelle du conducteur.
Cette fonctionnalité peut s’avérer particulièrement utile lorsque le conducteur du Nissan Rogue doit vérifier les angles morts à des intersections où la visibilité est limitée, ou lors de sorties de zones étroites.

Comment enregistrer l'emplacement
Lorsque la vue avant élargie est affichée à l’écran, appuyez sur la touche A afin de mémoriser l’emplacement souhaité pour une activation automatique ultérieure.

Exemple
Vue en 3D (si le véhicule en est équipé)
La vue en 3D du Nissan Rogue offre une visualisation complète à 360 degrés autour du véhicule. Cette vue permet de confirmer avec précision la position du véhicule et d’indiquer la manœuvre conseillée par rapport à un espace de stationnement ou à des obstacles environnants.
En appuyant sur l’icône de rotation 2, l’image du véhicule 1 ainsi que l’environnement affiché peuvent pivoter automatiquement à 360 degrés, permettant au conducteur de vérifier les alentours du Nissan Rogue sous différents angles.
Il est également possible de faire pivoter manuellement l’image du véhicule en balayant l’écran, lorsque cette fonctionnalité est disponible.
Huit directions de caméra différentes peuvent être sélectionnées en appuyant sur l’icône de position de caméra 3, offrant ainsi une flexibilité accrue selon la situation.
Lorsque la vitesse du véhicule dépasse 16 km/h (10 mi/h), seules les trois caméras orientées dans le sens de déplacement peuvent être sélectionnées, afin de maintenir une cohérence visuelle et une sécurité optimale.
Les lignes de parcours prédictives 4 indiquent la manœuvre conseillée lors du déplacement du Nissan Rogue.
AVERTISSEMENT
- La distance entre les objets affichés par la vue en 3D peut différer de la distance réelle.
- Certaines zones ne sont pas affichées par le système. Reportez-vous à la section « Limites du système d’écran de visualisation du périmètre intelligent » pour plus de détails.
Déplacement automatique à 360 (si le véhicule en est équipé):
Lors de la première pression sur le bouton CAMÉRA après avoir mis le contact d’allumage du Nissan Rogue sur la position ON, l’image du véhicule et celle de la zone environnante tournent automatiquement à 360 degrés afin de vérifier les alentours.
Comment activer/désactiver la fonctionnalité de déplacement automatique à 360º
Lorsque l’écran de la caméra est affiché, appuyez sur la touche
5 pour ouvrir le menu « Réglages », puis sélectionnez « Déplacement automatique à 360 » afin d’activer ou de désactiver cette fonctionnalité.

Exemple
Vue Capot invisible (si le véhicule en est équipé)
La vue Capot invisible du Nissan Rogue permet de visualiser virtuellement la surface de la route située sous la carrosserie avant du véhicule. Cette fonction est utile pour aligner les roues avant avec des rails de station de lavage automatique ou pour éviter le contact avec des bordures de trottoir lors de manœuvres à faible vitesse.
REMARQUE:
L’image affichée sous la carrosserie est un composite généré à partir des images de la caméra avant et ne représente pas réellement la surface située sous le véhicule.
Lignes de largeur du véhicule 1:
Ces lignes indiquent la largeur approximative du Nissan Rogue et servent de repère lors des manœuvres précises.
Lignes de parcours prédictives 2:
Les lignes de parcours prédictives indiquent la trajectoire estimée du véhicule et se déplacent en fonction de l’angle du volant.
Lignes de distance :
Les lignes de distance indiquent les distances approximatives par rapport à la carrosserie du véhicule.
- Ligne rouge : environ 0,5 m (1,5 pi)
- Ligne bleue : environ 1 m (3 pi)
- Ligne bleue : environ 2 m (7 pi)
- Ligne bleue : environ 3 m (10 pi)
La vue Capot invisible ne s’affiche pas lorsque la vitesse du Nissan Rogue dépasse 20 km/h (12 mi/h).
Contour du véhicule 7:
Indique le contour avant du véhicule afin d’aider à positionner précisément le Nissan Rogue.
Lignes de la zone de la roue 8:
Indiquent les contours des roues avant, facilitant l’alignement et l’évitement d’obstacles.
Comment activer/désactiver la vue Capot invisible:
Lorsque l’écran de la caméra est affiché, appuyez sur l’icône 9 pour activer la vue Capot invisible. Pour la désactiver, sélectionnez une autre vue de caméra ou appuyez sur la touche de retour 10.
Other materials:
Dtc/circuit Diagnosis. Power Supply and Ground Circuit
Diagnosis Procedure
CHECK FUSE
Ignition switch OFF.
Check that the following fuses are not blown (open):
With type A meter Unit Location Fuse No. Capacity
28
Battery power supply
30
5 A
135
Battery power supply (door lock 1)
12
10 A
136
Battery power ...
Symptom Diagnosis. Electric Power Steering Warning Lamp Does Not Turn on
Description
The power steering warning lamp does not illuminate when the ignition switch is ON (lamp check).
Diagnosis Procedure
CHECK THE POWER STEERING WARNING LAMP
Perform trouble diagnosis for the power steering warning lamp system. Refer toComponent Function Check .
Is the inspection resul ...
Dtc/circuit Diagnosis. Eps Warning Lamp
Component Function Check
CHECK THE ILLUMINATION OF THE ELECTRIC POWER STEERING WARNING LAMP
Check that the electric power steering warning lamp turns ON when
ignition switch ON. Then, electric power steering warning lamp turns OFF
after the engine is started.
Is the inspection result normal?
...
