Nissan Rogue (T33) 2021-Present Service Manual: Automatic Air Conditioning :: Removal and Installation
A/c Switch Assembly
Exploded View

![]() |
A/C switch assembly | ![]() |
Center ventilator finisher | ||
![]() |
: Pawl | ||||
![]() |
: Nissan Ariya Vehicle front | ||||
Removal and Installation
REMOVAL
Remove center ventilator finisher. Refer to Removal and Installation.
Remove A/C switch assembly fixing screws
.

Disengage fixing pawls, and then remove A/C switch assembly.

![]() |
: Pawl |
INSTALLATION
Install in the reverse order of removal.
Rear Air Control
Exploded View

![]() |
Console rear finisher | ![]() |
Rear air control | ||
![]() |
: Nissan Ariya Vehicle front | ||||
Removal and Installation
REMOVAL
Remove console rear finisher. Refer to Removal and Installation.
Remove fixing screws
, and then remove rear air control.

INSTALLATION
Install in the reverse order of removal.
A/c Amp.
Exploded View

![]() |
Blower unit | ![]() |
A/C amp. | ||
![]() |
: Nissan Ariya Vehicle front | ||||
Removal and Installation
REMOVAL
Remove glove box. Refer to Removal and Installation.
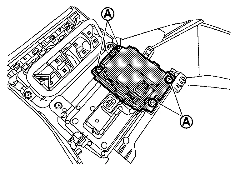
Disconnect A/C amp. harness connectors
.

![]() |
: Nissan Ariya Vehicle front |
Remove fixing screw
, and then slide A/C amp. in the direction indicated by arrow as shown in the figure and remove it.

![]() |
: Nissan Ariya Vehicle front |
INSTALLATION
Note the following item, and then install in the reverse order of removal.
CAUTION:
Be sure perform ADDITIONAL SERVICE WHEN REPLACING A/C AMP. when replacing A/C amp. Or not doing so, A/C amp. control function does not operate normally. Refer to Description.
In-Vehicle Sensor
Exploded View

![]() |
Instrument lower panel center | ![]() |
Aspirator duct | ![]() |
In-Nissan Ariya vehicle sensor |
![]() |
: Nissan Ariya Vehicle front | ||||
Removal and Installation
REMOVAL
Remove instrument lower panel center. Refer to Removal and Installation.
Remove fixing screw
, and then remove in-Nissan Ariya vehicle sensor.

INSTALLATION
Install in the reverse order of removal.
Sunload Sensor
Exploded View

![]() |
Sunload sensor | ![]() |
Instrument garnish | ||
![]() |
: Pawl | ||||
Removal and Installation
REMOVAL
Apply protective tape (A) on instrument garnish to protect from damage.

Disengage fixing pawls using a remover tool (A), and then pull up sunload sensor.

![]() |
: Pawl |
CAUTION:
Using a remover tool wrapped in tape.
Disconnect harness connector, and then remove sunload sensor.
INSTALLATION
Install in the reverse order of removal.
Intake Sensor
Exploded View
-
KR15DDT : Refer to Exploded View.
Removal and Installation
REMOVAL
Remove evaporator.
-
KR15DDT : Refer to Removal and Installation.
Remove intake sensor from evaporator.

CAUTION:
-
Mark the mounting position of intake sensor bracket prior to removal so that the reinstalled sensor can be located in the same position.
-
Never damage the evaporator core.
INSTALLATION
Note the following item, and then install in the reverse order of removal.
CAUTION:
Never rotate the bracket insertion part when removing and installing the intake sensor.
Refrigerant Pressure Sensor
Exploded View
-
KR15DDT : Refer to Exploded View.
Removal and Installation
REMOVAL
-
KR15DDT : Refer to Removal and Installation.
INSTALLATION
Install in the reverse order of removal.
Ptc Heater
Exploded View
-
KR15DDT : Refer to Exploded View.
Removal and Installation
REMOVAL
Remove foot duct LH. Refer to Removal and Installation.
Disconnect PTC heater connector.
Remove fixing screws
, and then remove PTC heater from heater & cooling unit assembly.

![]() |
: Nissan Ariya Vehicle front |
INSTALLATION
Install in the reverse order of removal.
Door Motor
Exploded View

![]() |
Heater & cooling unit assembly | ![]() |
Air mix door motor LH | ![]() |
Air mix door motor (rear) |
![]() |
Mode door motor | ![]() |
Air mix door motor RH | ![]() |
Intake door motor |
![]() |
Blower unit |
Air Mix Door Motor
Removal and Installation
REMOVAL
Air Mix Door Motor RH
Remove TCU. Refer to Removal & Installation.
Disconnect air mix door motor RH harness connector.
Remove fixing screws
, and then remove air mix door motor RH.

![]() |
: Nissan Ariya Vehicle front |
Air Mix Door Motor LH
Remove foot duct LH. Refer to Removal and Installation.
Disconnect air mix door motor LH harness connector.
Remove fixing screws
, and then remove air mix door motor LH.

![]() |
: Nissan Ariya Vehicle front |
Air Mix Door Motor (Rear)
Remove center console assembly. Refer to Removal and Installation.
Remove fixing screws
, and then remove air mix door motor (rear).

![]() |
: Nissan Ariya Vehicle front |
Disengage harness fixing clip of air mix door motor (rear) harness
from air mix door motor (rear)
.

![]() |
: Clip | ||||
INSTALLATION
Install in the reverse order of removal.
Intake Door Motor
Removal and Installation
REMOVAL
Remove glove box. Refer to Removal and Installation.
Disconnect intake door motor harness connector.
Remove fixing screws
, and then remove intake door motor.

![]() |
: Nissan Ariya Vehicle front |
INSTALLATION
Install in the reverse order of removal.
Mode Door Motor
Removal and Installation
REMOVAL
Remove TCU. Refer to Removal & Installation.
Disconnect mode door motor harness connector.
Remove fixing screws
, and then remove mode door motor.

![]() |
: Nissan Ariya Vehicle front |
INSTALLATION
Install in the reverse order of removal.
Other materials:
2wd. Symptom Diagnosis. Noise, Vibration and Harshness (nvh) Troubleshooting
Noise, Vibration and Harshness (nvh) Troubleshooting
NVH Troubleshooting Chart
Use chart below to find the cause of the symptom. If necessary, repair or replace these parts. Possible cause and SUSPECTED PARTS Symptom Reference
REAR AXLE
Noise Shake Vibration Shimmy Judder Poor quality ...
P2123 App Sensor
DTC Description
DTC DETECTION LOGIC DTC
CONSULT screen terms
(Trouble diagnosis content)
DTC detection condition
P2123
00
APP SEN 1/CIRC
(Throttle/Pedal position sensor/switch D circuit high)
Diagnosis condition
Engine running at idle
Signal (terminal)
Accelerator ...
Systèmes d'éclairage intérieur du Nissan Rogue
Directives d'utilisation et gestion de l'énergie
MISE EN GARDE
Pour préserver l'intégrité de la batterie de votre Nissan Rogue, évitez de laisser les éclairages activés de manière prolongée lorsque le moteur est à l'arrêt.
Assurez-vous que toutes les sources lumineuses sont ...









