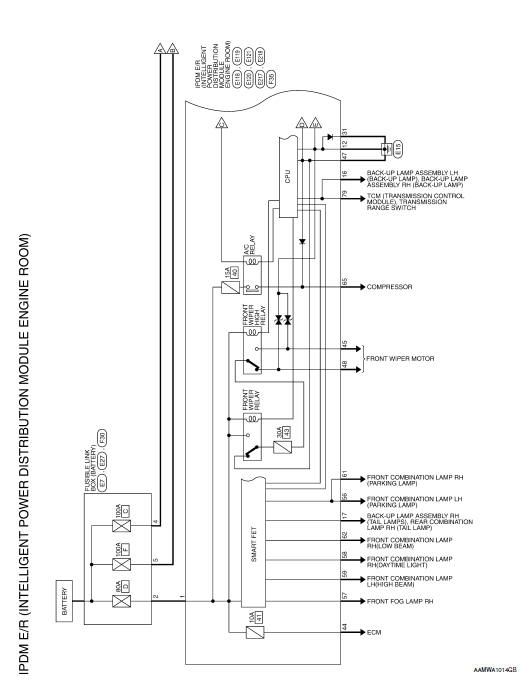
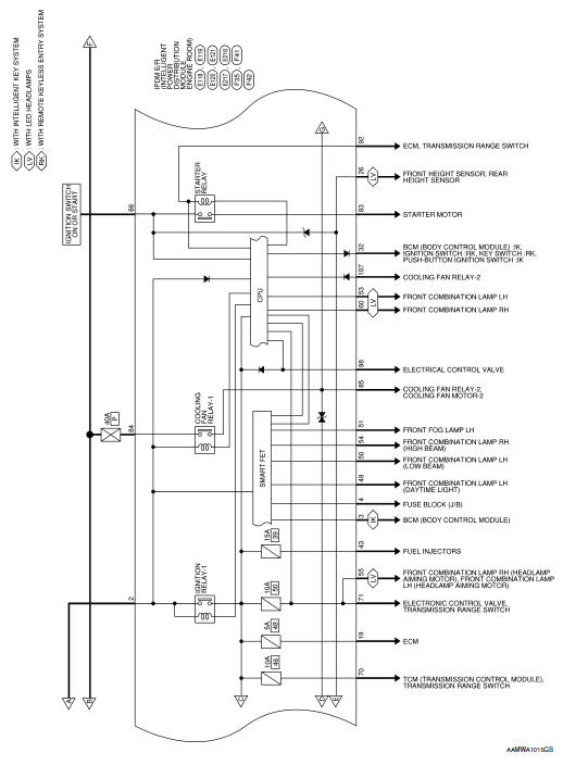
IPDM E/R (INTELLIGENT POWER DISTRIBUTION MODULE ENGINE ROOM)
Wiring Diagram






ECU diagnosis information
DTC/circuit diagnosisRefrigeration system symptoms
Trouble Diagnosis For Unusual Pressure
Diagnose using a manifold gauge whenever system’s high and/or low side
pressure(s) is/are unusual. The
marker above the gauge scale in the following tables indicates the standard
(usual) pressure range. Refer to
above table (Ambient air temperature-to- ...
Booster seats
Precautions on booster seats
WARNINGIf a booster seat and seat belt are not used
properly, the risk of a child being injured in
a sudden stop or collision greatly
increases:
Make sure the shoulder portion of
the belt is away from the child’s face
and neck and ...
The meter control switch is inoperative
Description
The meter control switches are inoperative when pressed.
Diagnosis Procedure
1.CHECK METER CONTROL SWITCH SIGNAL
Check the meter control switch signal. Refer to MWI-67, "Diagnosis
Procedure".
Is the inspection result normal?
YES >> GO TO 2.
NO >> Repair ...