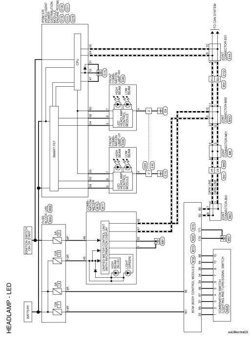
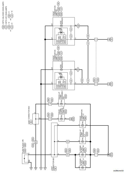
HEADLAMP
Wiring Diagram






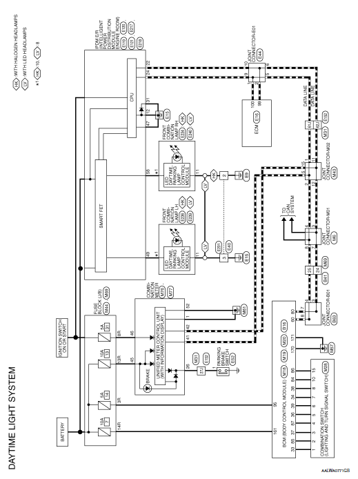
DAYTIME LIGHT SYSTEM
Wiring Diagram







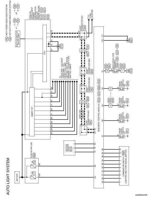
AUTO LIGHT SYSTEM
Wiring Diagram







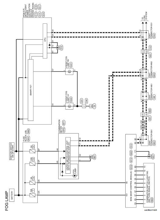
FRONT FOG LAMP SYSTEM
Wiring Diagram






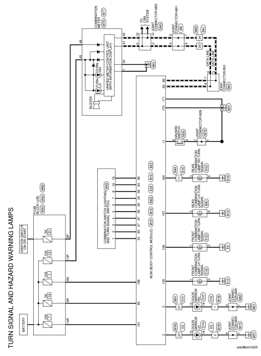
TURN SIGNAL AND HAZARD WARNING LAMP SYSTEM
Wiring Diagram







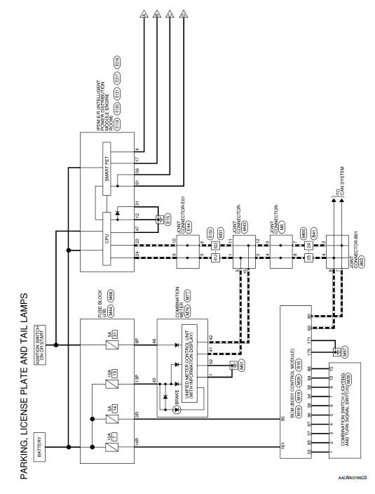
PARKING, LICENSE PLATE AND TAIL LAMPS SYSTEM
Wiring Diagram












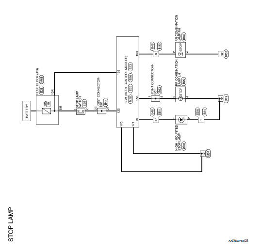
STOP LAMP
Wiring Diagram




BACK-UP LAMP
Wiring Diagram




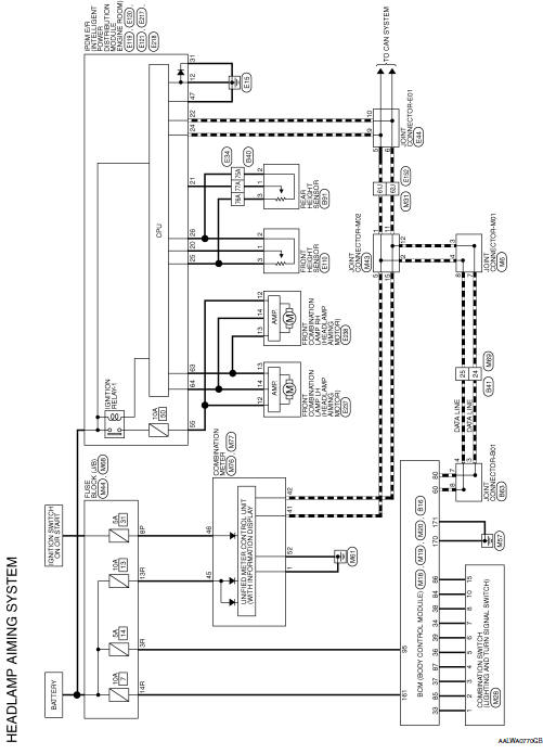
HEADLAMP AIMING SYSTEM (AUTOMATIC)
Wiring Diagram







ECU diagnosis information
Basic inspectionWiring diagram
POWER DOOR LOCK SYSTEM
Wiring Diagram
INTELLIGENT KEY SYSTEM
Wiring Diagram
AUTOMATIC BACK DOOR SYSTEM
Wiring Diagram
HOMELINK UNIVERSAL TRANSCEIVER
Wiring D ...
Front power window switch (passenger side)
Description
Front power window motor RH will be operated if front power window switch RH
is operated.
Component Function Check
1. CHECK FRONT POWER WINDOW SWITCH RH FUNCTION
Check front power window motor RH operation with front power window switch RH.
Is the inspection result normal?
YES ...
Periodic maintenance
HEADLAMP AIMING ADJUSTMENT
Inspection
PREPARATION BEFORE ADJUSTING
Before performing aiming adjustment, check the following:
Make sure all tires are inflated to correct pressure.
Place vehicle and screen on level surface.
Make sure there is no load in vehicle other than ...