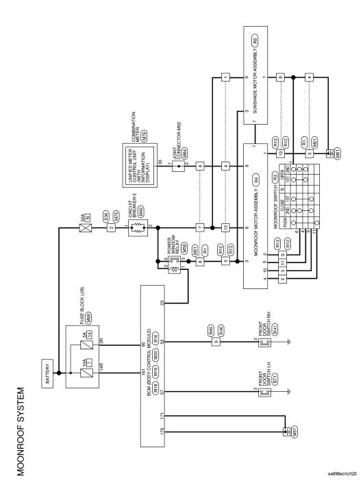
MOONROOF SYSTEM
Wiring Diagram





Sunshade motor assembly
Basic inspectionOn board refueling vapor recovery (ORVR)
Component Function Check
1.CHECK ORVR FUNCTION
Check whether the following symptoms are present.
Fuel odor from EVAP canister is strong.
Cannot refuel/Fuel odor from the fuel filler opening is strong
while refueling.
Are any symptoms present?
YES >> Proceed to EC-477 ...
C1109 power and ground system
DTC Logic
DTC DETECTION LOGIC
DTC
Display Item
Malfunction detected condition
Possible causes
C1109
BATTERY VOLTAGE
[ABNORMAL]
When ignition voltage is 10 V or less.
When ignition voltage is 16 V or more.
Harness or connector ...
Front bumper
Exploded View
Front bumper fascia side
bracket (RH)
Front bumper reinforcement
support (RH)
Front bumper reinforcement
Front energy absorber
Front lower grille
Front fog lamp (RH) (if equipped)
Front bumper fascia
Front bumper fascia finisher
(RH) (if equipped)
...