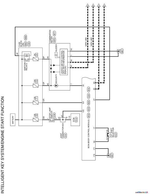
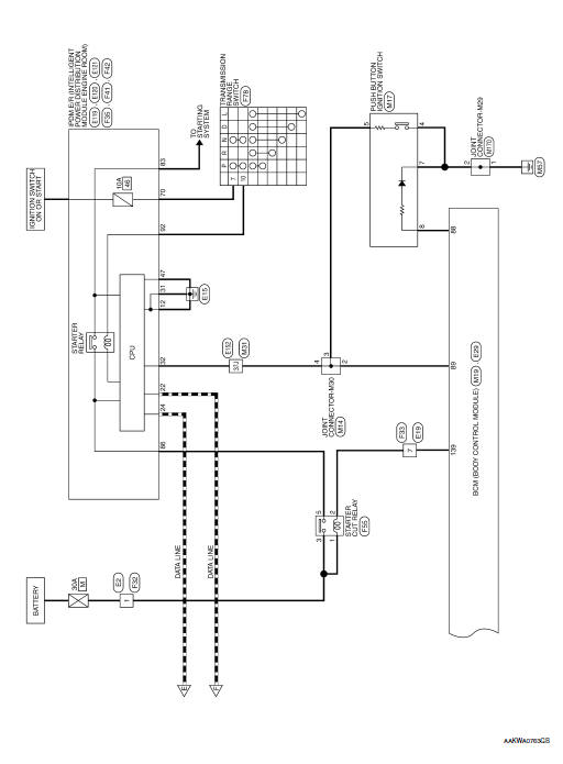
ENGINE START FUNCTION
Wiring Diagram













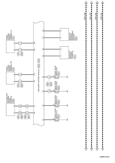
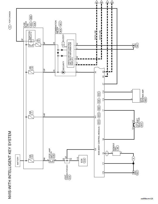
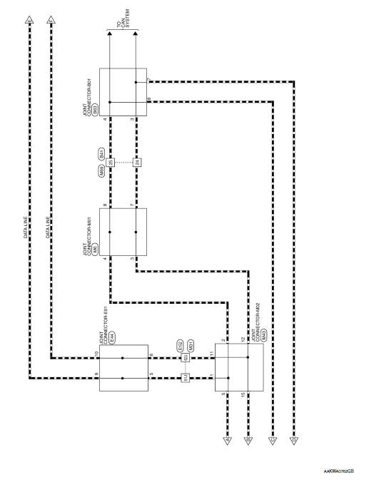
NISSAN VEHICLE IMMOBILIZER SYSTEM-NATS
Wiring Diagram










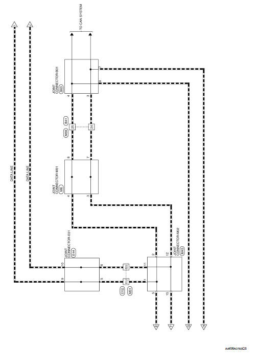
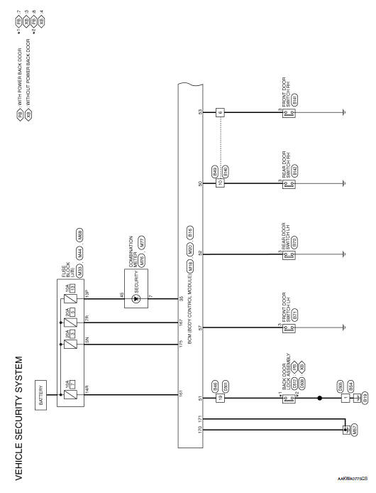
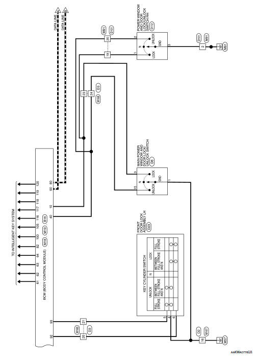
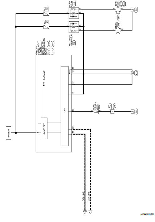
VEHICLE SECURITY SYSTEM
Wiring Diagram













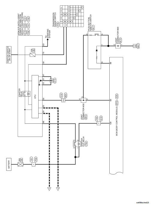
ECU diagnosis information
Basic inspectionHow to use the remote keyless entry
function
The remote keyless entry function can operate all
door locks using the remote keyless function of
the Intelligent Key. The remote keyless function
can operate at a distance of 33 ft (10 m) away
from the vehicle. The operating distance depends
upon the conditions around the vehicle.
The remot ...
Oil
Description
MAINTENANCE OF OIL LEVEL
The compressor oil is circulating in the system together with the
refrigerant. It is necessary to fill compressor
with oil when replacing A/C system parts or when a large amount of refrigerant
leak is detected. It is important
to always maintain oil level ...
P0031, P0032 A/F sensor 1 heater
DTC Description
DTC DETECTION LOGIC
DTC No.
CONSULT screen terms
(Trouble diagnosis content)
DTC detecting condition
P0031
A/F SEN1 HTR (B1)
[Air fuel ratio (A/F) sensor 1 heater (bank
1)control circuit low]
The current amperage in the A/F sensor 1 heater circu ...