Description
MAINTENANCE OF OIL LEVEL
The compressor oil is circulating in the system together with the refrigerant. It is necessary to fill compressor with oil when replacing A/C system parts or when a large amount of refrigerant leak is detected. It is important to always maintain oil level within the specified level or otherwise the following conditions may occur:
Oil Type: ND-OIL
Inspection
If a compressor is malfunctioning (internal noise, insufficient cooling), check the compressor oil.
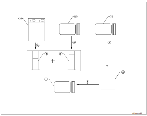
1.COMPRESSOR OIL JUDGMENT

Judgement result 1>>Replace compressor only.
Judgement result 2>>Replace compressor and condenser (includes liquid tank).
Perform Oil Return Operation
CAUTION: If a large amount of refrigerant or oil leak is detected, do not perform oil return operation.
Oil Adjusting Procedure for Components Replacement Except Compressor
Fill with oil for the amount that is calculated according to the following conditions.
Example: Oil amount to be added when replacing evaporator [m (US fl oz, Imp fl oz)] = 75 (2.5, 2.6) + α
|
Conditions |
Oil amount to be added to A/C system
m |
|
| Replace evaporator | 75 (2.5, 2.6) | |
| Replace condenser (includes liquid tank) | 80 (2.7, 2.8) | |
| Refrigerant leak is detected | Large amount leak | 30 (1.0, 1.1) |
| Small amount leak | — | |
| Oil amount that is recycled together with refrigerant during recycle operation | α | |
Oil Adjusting Procedure for Compressor Replacement

No refrigerant pressure should be displayed. If NG, recover refrigerant from equipment lines.
If NG, refer to HA-4, "Precautions For Refrigerant System Service".
Refrigerant
Performance testAir bags, seat belts and child restraints
Supplemental front-impact air bags
Occupant classification sensor (weight sensor)
Seat belts
Head restraints/headrests
Roof-mounted curtain side-impact and rollover supplemental air bag
2nd row center position top tether strap (located on ceiling) ...
Preparation
Special Service Tool
The actual shape of the tools may differ from those tools illustrated here.
Tool number
(TechMate No.)
Tool name
Description
—
(J-50190)
Signal Tech II
Activate and display TPMS transmitter IDs
Display tire ...
Power window and door lock/unlock switch RH
Removal and Installation
REMOVAL
Remove the front door pull handle bracket (RH). Refer to INT-15,
"Removal and Installation".
Release pawls using a suitable tool (A) and remove front door
power window and door lock/unlock switch finisher (RH) (1).
: Pawl
D ...