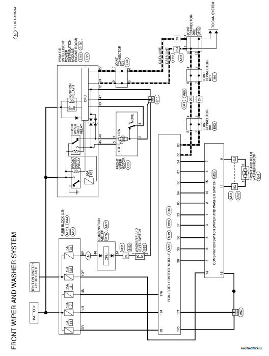
Wiring Diagram






Wiring diagram
Rear wiper and washer systemRear-facing child restraint installation using
LATCH
For additional information, refer to all Warnings
and Cautions in the “Child Safety” and “Child
Restraint” sections before installing a child restraint.
NISSAN does not recommend the use of the
lower anchors if the combined weight of the child
and the child restraint exceeds 65 lbs (2 ...
P0711 transmission fluid temperature sensor A
DTC Description
DTC DETECTION LOGIC
DTC
CONSULT screen terms
(Trouble diagnosis content)
DTC detection condition
P0711
FLUID TEMP SENSOR A
(Transmission Fluid Temperature Sensor A
Circuit Range/Performance)
When any of 1 or 2 is satisfied:
Under the followi ...
System description
CAN COMMUNICATION SYSTEM
System Description
CAN communication is a multiplex communication system. This enables the
system to transmit and receive
large quantities of data at high speed by connecting control units with two
communication lines (CAN-H and
CAN-L).
Control units o ...